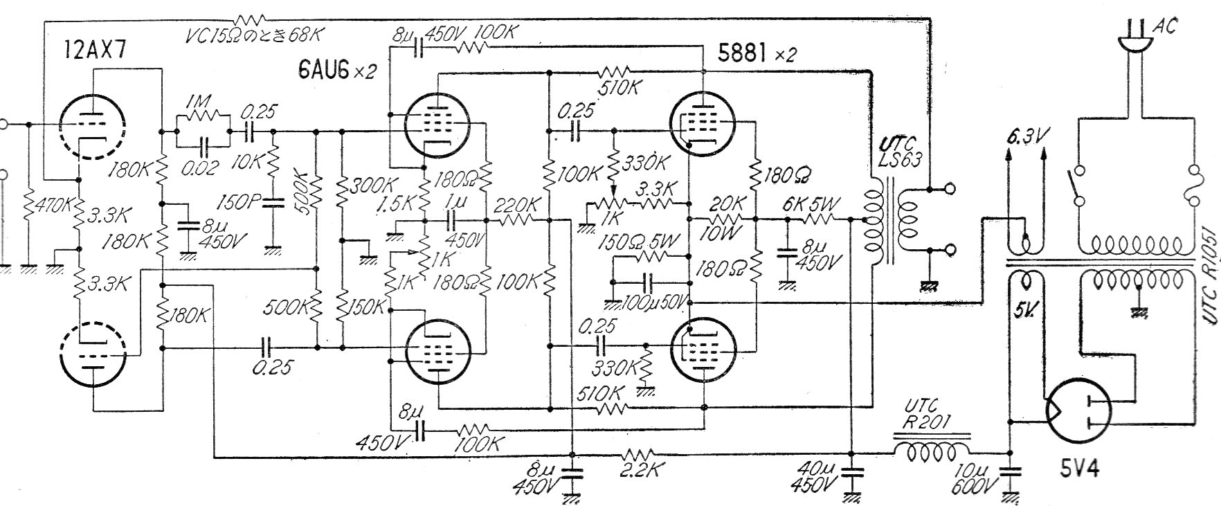
Este amplificador con las válvulas de potencia 5881 fue encontrado en una publicación japonesa de los años 60. El circuito incluye la fuente de alimentación y tiene una etapa de pre-amplificación e inversión de fase sofisticada. Los transformadores son los componentes críticos de este amplificador.

 


| Clique na imagem para ampliar |