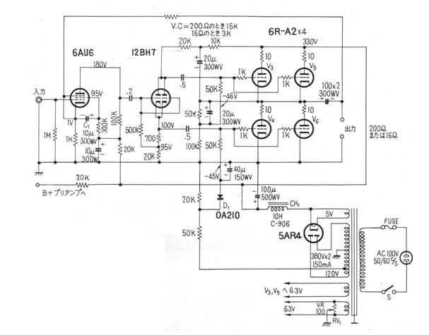
Este es el circuito de un amplificador valvular comercial de 1961. El circuito se caracteriza por tener una salida de baja impedancia, de este modo eliminando el transformador de salida. La fuente de alimentación se proporciona junto con el diagrama.




