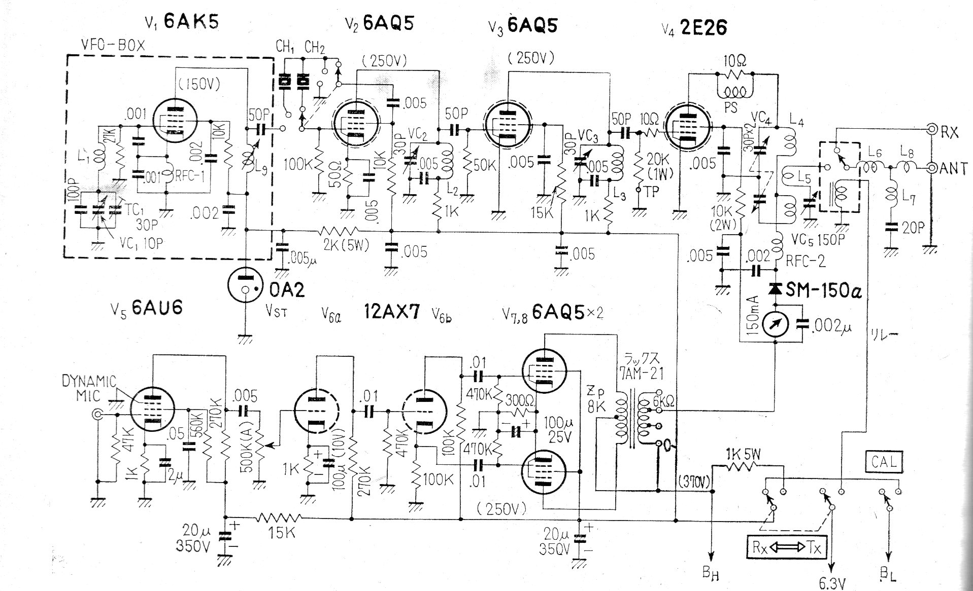
Este transceptor valvular fue encontrado en una publicación japonesa de 1968. Los componentes de la época ya no se encuentran fácilmente y los detalles de las bobinas no se han dado.
El circuito presentado fue encontrado en un Linear Applications Handbook de National Semiconductor de 1994....
Una solución interesante para sistemas de comunicación rápida, aviso de funcionamiento,...
El circuito simple mostrado en la figura 1 puede ser una excelente solución para un sistema de...