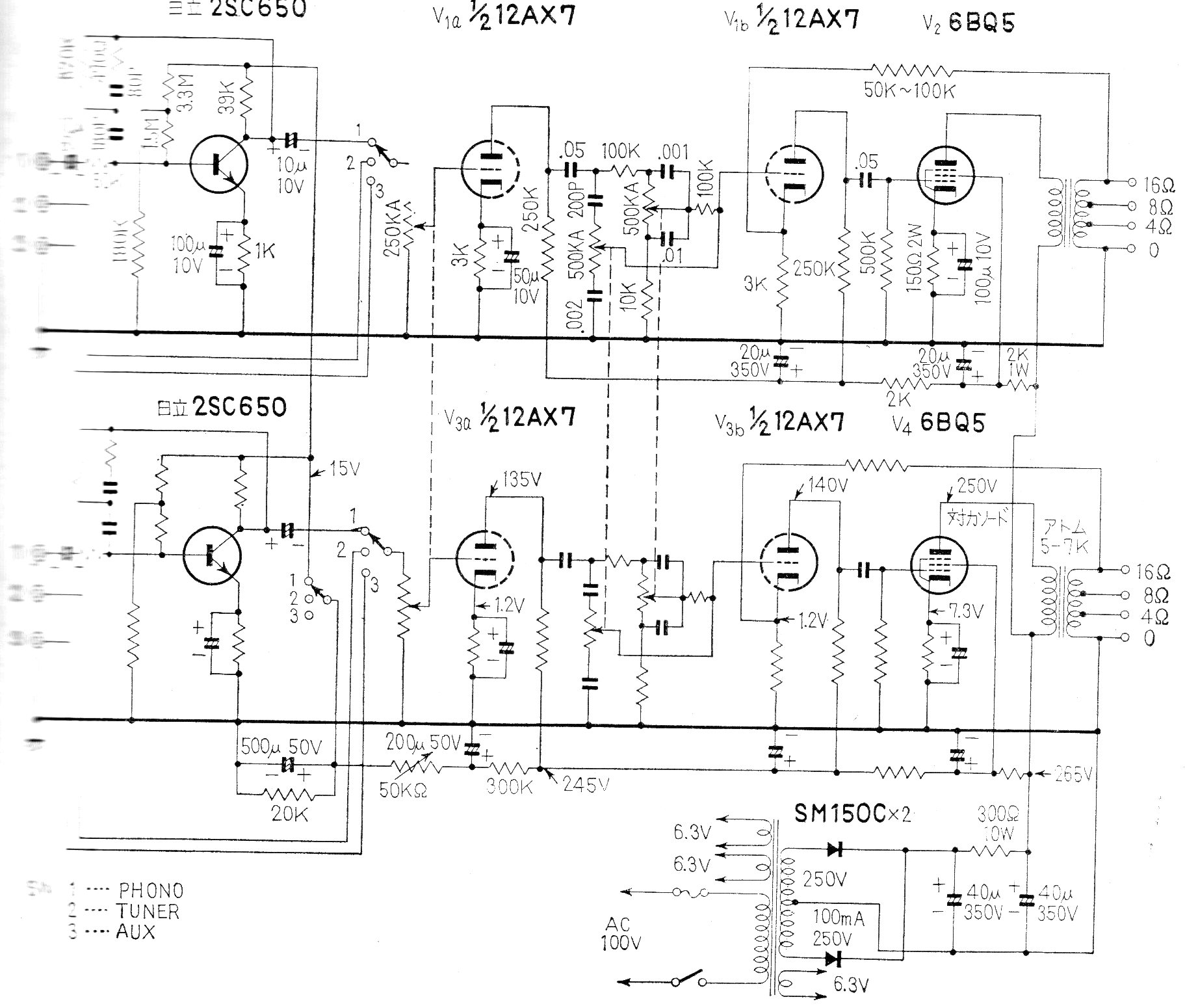
Encontramos este circuito híbrido en una publicación japonesa de 1968. Los componentes son de la época y los componentes críticos, además de las válvulas son los transformadores. El circuito incluye un control de tono tipo Baxandall.
Este acoplador permite el disparo de una puerta o flip-flop TTL a partir de un SCR. La resistencia R...
Este circuito cambia la salida en 1 V para cada dB que la tensión de entrada cambia. Así, la tasa...
Este circuito se ha encontrado en una Popular Electronics de septiembre de 1992 La revista ya no...