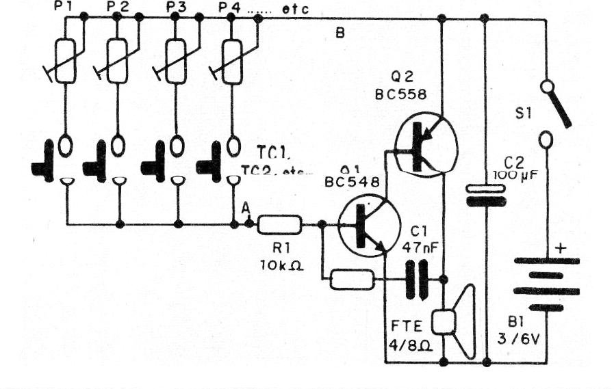
Este es un simple órgano de juguete que puede servir para tomar algunas melodías simples, reproducidas en un pequeño altavoz. La alimentación se puede realizar con dos o cuatro pilas y el número de teclas puede ir de 7 a 14 (una o dos octavas).
Por el cambio del capacitor C1 podemos elegir la octava en que el circuito va a oscilar, dando así sonidos más graves o agudos. Los valores entre 10 nF y 220 nF pueden ser experimentados.
El montador que quiere sofisticar el proyecto puede incluso incluir una llave para conmutar C1.
El teclado se puede hacer tanto con chapas de metal o interruptores de presión. También se pueden utilizar puntas de prueba conectadas en (A), tocando en los diversos puntos en que están conectados los trimpots.
El órgano descrito es monofónico, es decir, no permite que dos notas se toquen al mismo tiempo. Si esto ocurre, el sonido será de una tercera nota diferente. En la figura 1 tenemos el diagrama del órgano.
Como se trata de montaje simple, damos el montaje en puente de terminales mostrado en la figura 2.
Para una mejor calidad de sonido, el altavoz se puede instalar en una pequeña caja. En el interior de la caja quedará también el circuito, con conexiones al teclado externo. En la figura 3 tenemos una sugerencia de montaje del teclado.
Cada trimpot hace el ajuste de una nota. Los resistores son de 1/8 W y los demás componentes son comunes. Para afinar, haga esto con cada nota de forma independiente.
Lista de materiales:
Q1- BC548 - transistores NPN de uso general
Q2 - BC558 - transistores PNP de uso general
R1 - 10k ohms x 1/8 W-resistor - marrón, negro, naranja
R2 - 1k ohms x 1/8 W - resistor - marrón, negro, rojo
C1- 47 nF - capacitor de cerámica o poliéster
C2 - 100 uF - capacitor electrolítico para 6 V o más
TC1 a TCn - Teclas - ver texto
FTE - 4 ó 8 ohms - pequeño
S1 - Interruptor simple
B1 - 3 V o 6 V- 2 o 4 pilas pequeñas
Varios:
Puente de terminales, soporte de pilas, soporte para el teclado, caja para montaje, hilos, etc.






