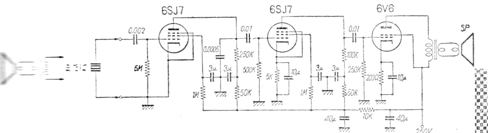
Este circuito simple de algunos watts no incluye la fuente de alimentación. Se puede utilizar con un micrófono dinámico de baja impedancia. El circuito es de una publicación japonesa de 1955.
Este circuito puede generar señales de 100 kHz a 1 MHz dependiendo de la bobina L1. Para el rango...
Este preamplificador, que puede funcionar con una pila muy pequeña (AAA), montado en una cajita de...
Un comparador de tensión de precisión, usando diodo zener como referencia puede ser implementado con...