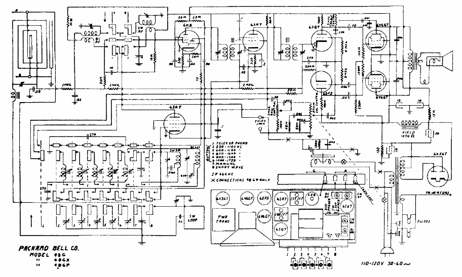
El punto curioso de este receptor es la sintonía por teclas, llevando a las estaciones preajustada. El receptor utiliza transformador y tiene salida de alta potencia en push-pull.
Cuando un pulso de luz incide en el LDR, este circuito dispara un temporizador monoestable 555 que acciona...
El circuito mostrado en la figura 1 tiene por objetivo controlar la potencia de un motor de...
Este proyecto es de nuestro colaborador Sérgio Lima Correia habiendo sido hecho en la época en que él...