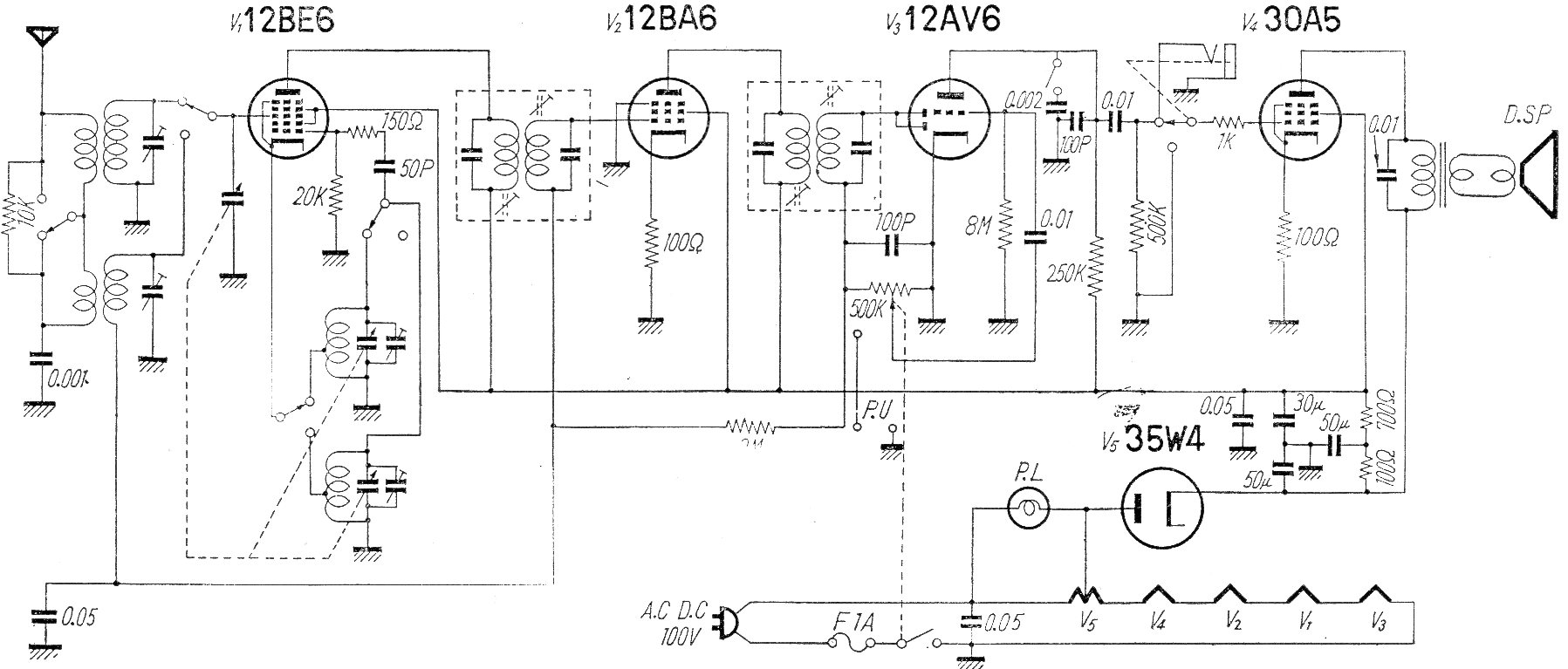
Esta radio sin transformador de fuerza fue encontrada en una revista japonesa de los años 60. El circuito tiene los filamentos en serie y recibe señales de la banda de AM. La FI es de 455 kHz. Observe que la red en Japón en la época era de 100 V.
Cuando un pulso de luz incide en el LDR, este circuito dispara un temporizador monoestable 555 que acciona...
El circuito mostrado en la figura 1 tiene por objetivo controlar la potencia de un motor de...
Este proyecto es de nuestro colaborador Sérgio Lima Correia habiendo sido hecho en la época en que él...