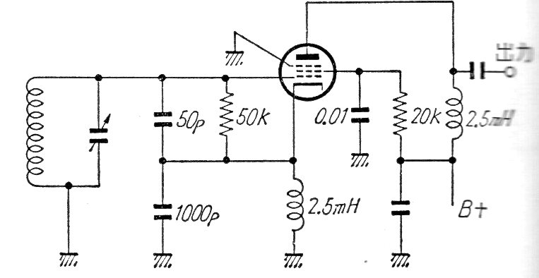
Encontramos este circuito en una documentación japonesa antigua. La bobina depende del rango de frecuencias deseado y la tensión de alimentación depende de la válvula.
Este es un circuito que le permite conectar un motor de corriente continua a partir de un simple...
Este pequeño temporizador se puede utilizar con las más diversas finalidades como, cronometrar el tiempo...
Si bien las transmisiones en AM tienden a desaparecer, así como los receptores, un viejo radito...