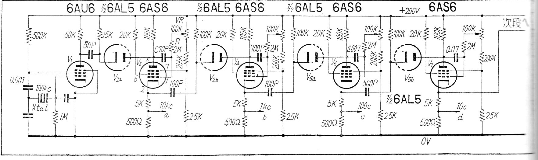
Este circuito genera varias frecuencias determinadas por el cristal y por las salidas seleccionadas. El circuito es de una documentación japonesa de los años 60 y no incluye la fuente de alimentación. En el caso, el cristal es de 100 kHz y tenemos la división sucesiva por 10 de las señales hasta obtener 10 Hz en la última salida.




