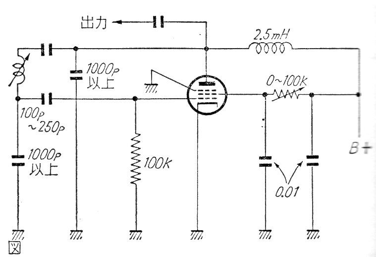
Aquí tenemos otra configuración de oscilador de frecuencia variable (VFO) utilizando una válvula pentodo. El circuito es de un manual antiguo y la bobina depende del rango de frecuencias deseado. El circuito es de una antigua publicación japonesa.
Esta es una configuración complementaria tradicional que ofrece una buena potencia de audio con...
Encontrado en una Electronic Design de 1967, este circuito puede detectar pulsos tan estrechos como 0,2...
Los componentes críticos de este proyecto son la válvula Geiger y la batería de 300 V. La batería...