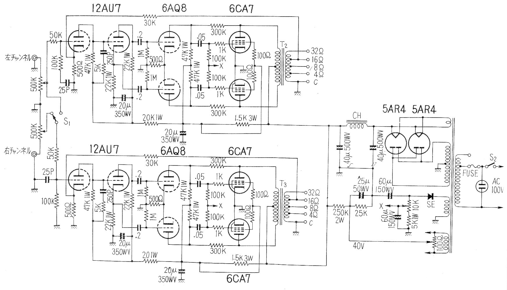
Este amplificador estéreo de 35 W por canal utiliza las válvulas 6CA7 en la salida conectadas en push-pull clase B. El circuito se encuentra en una documentación de 1961 e incluye la fuente de alimentación.
Esta es una configuración complementaria tradicional que ofrece una buena potencia de audio con...
Encontrado en una Electronic Design de 1967, este circuito puede detectar pulsos tan estrechos como 0,2...
Los componentes críticos de este proyecto son la válvula Geiger y la batería de 300 V. La batería...