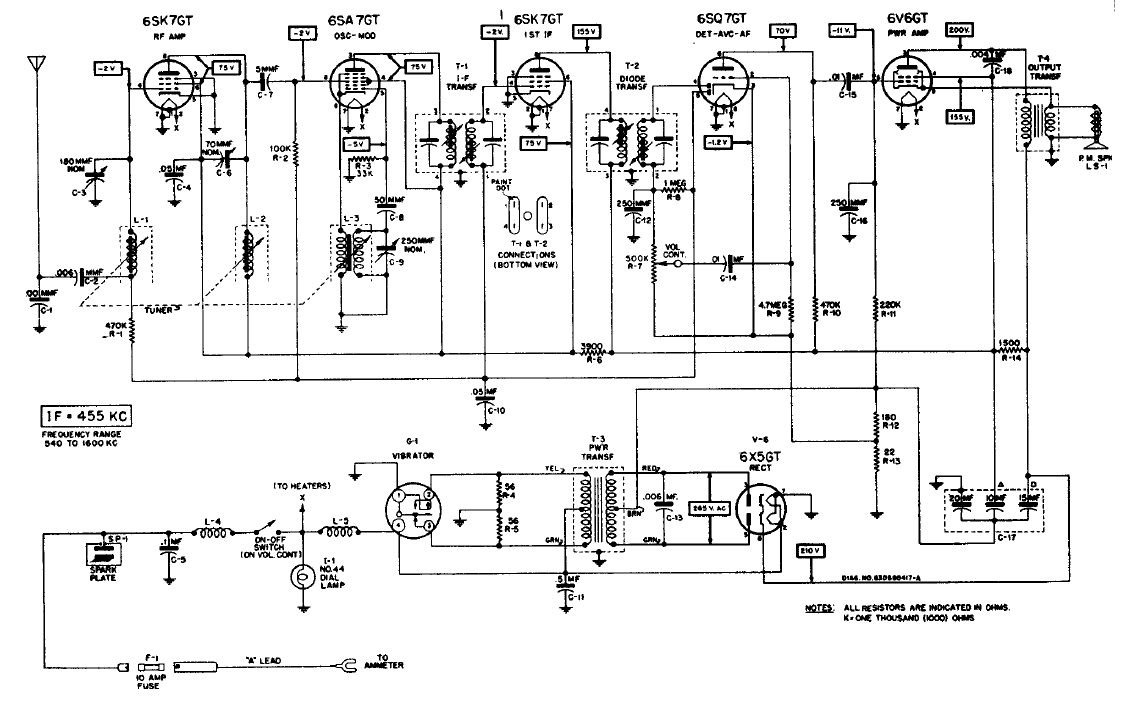
Esta radio valvulado para la banda de AM usaba vibrador para obtener la alta tensión. El circuito es para el rango de ondas medias con FI de 455 kHz.
En la figura 1 tenemos un órgano electrónico de juguete que puede tanto servir para divertir a los niños...
La acción rápida de conmutación del 4093 ayuda a obtener un circuito de interruptor nocturno que no se...
Girando un pequeño motor con la ayuda de un volante, producimos un sonido similar al de una sirena...