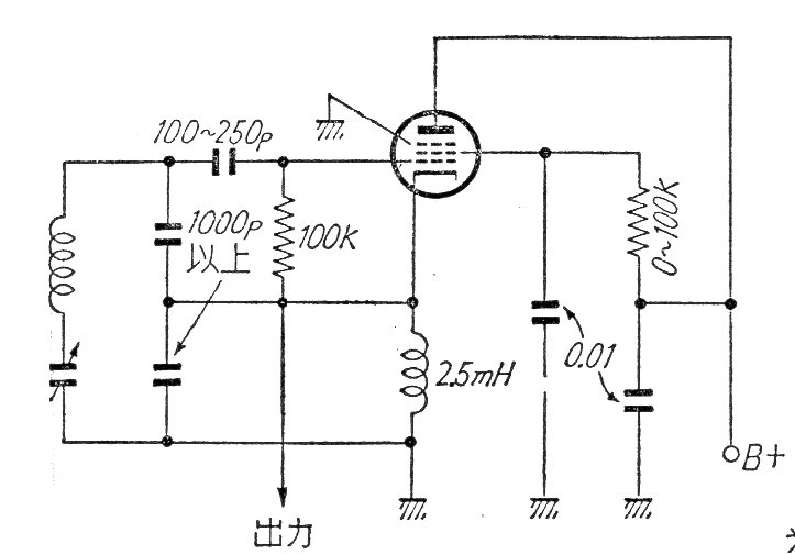
Esta es una configuración tradicional de oscilador de frecuencia variable o VFO. La alimentación depende de la válvula utilizada. La frecuencia también depende del tipo de válvula.
El control de un motor de corriente continua directamente desde señales digitales a través de un...
Los inyectores de señales son aparatos de gran utilidad en la localización de defectos en radios,...
El oscilador mostrado en la figura 1 utiliza un cristal para la banda de radioaficionados PX (11...