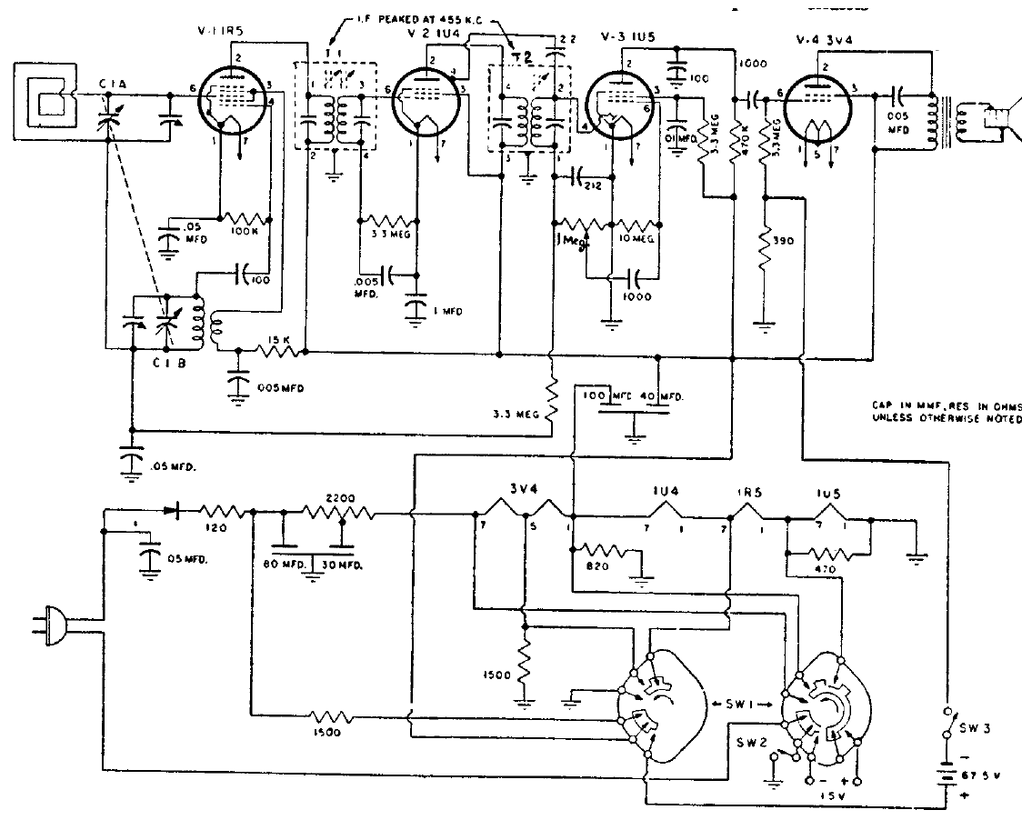
Este receptor de 1950 con 5 válvulas tanto podía ser alimentado por la red de energía como dos baterías, una de1,5 V y otra de 67,5 V, lo que era común en una época en que no había todavía el transistor.
En la figura 1 tenemos un órgano electrónico de juguete que puede tanto servir para divertir a los niños...
La acción rápida de conmutación del 4093 ayuda a obtener un circuito de interruptor nocturno que no se...
Girando un pequeño motor con la ayuda de un volante, producimos un sonido similar al de una sirena...