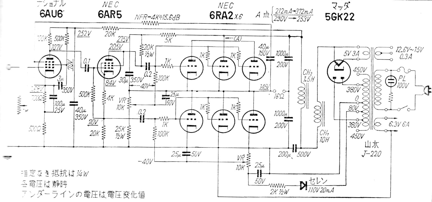
Este amplificador tiene una salida de 16 ohms que se ha encontrado en una documentación de los años 60. El diferencial es la no necesidad de transformador de salida dada la configuración de la etapa de potencia. Se incluye la fuente de alimentación.
En la figura 1 tenemos un órgano electrónico de juguete que puede tanto servir para divertir a los niños...
La acción rápida de conmutación del 4093 ayuda a obtener un circuito de interruptor nocturno que no se...
Girando un pequeño motor con la ayuda de un volante, producimos un sonido similar al de una sirena...