Hay circuitos integrados de ciertas familias lógicas que poseen funciones muy útiles y que por eso pueden ser usadas en una infinidad de proyectos. Uno de estos circuitos es el 4013, de la familia CMOS, que consiste en un Flip-Flop tipo D. En este artículo analizamos este componente dando al lector los elementos necesarios para su uso en proyectos.
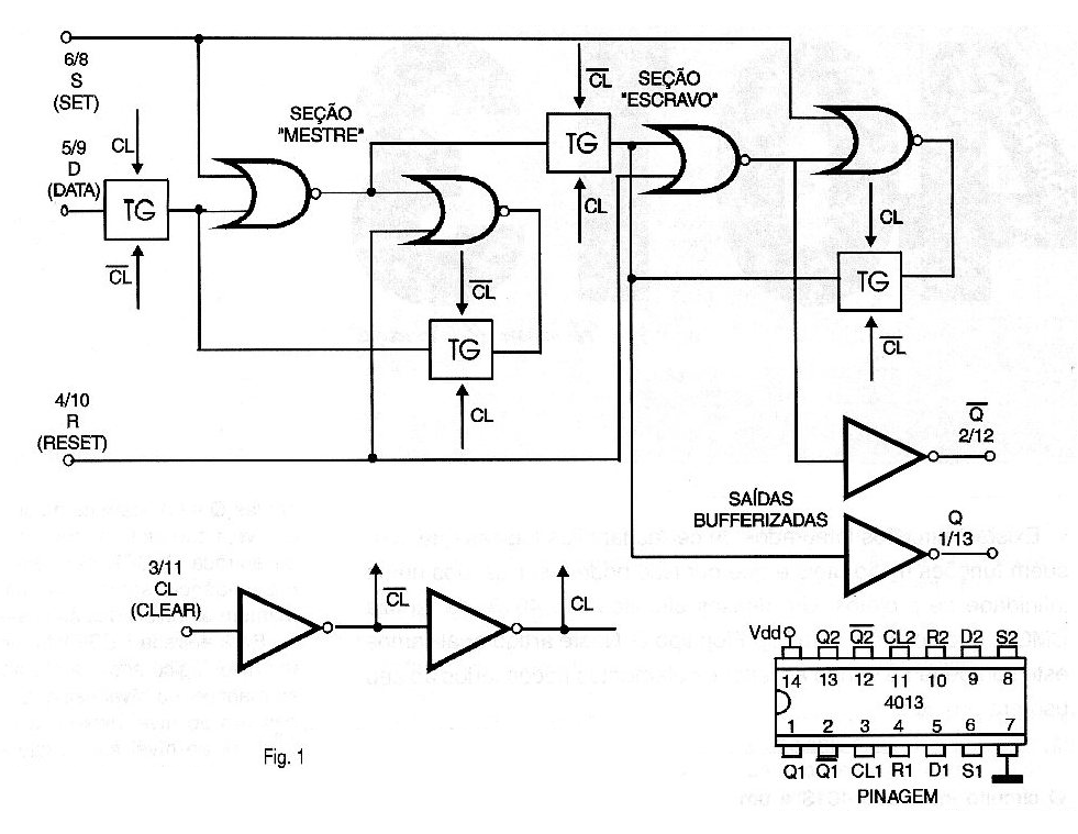
El circuito integrado 4013 es un doble flip-flop tipo D con Preset y Clear (Dual D Flip-Flop con Preset y Clear). En la figura 1 tenemos la pinza de este componente, que se encuentra en envoltorio DIL (Dual in Line) de 14 pines.
Sus principales características son:
* Tensión de alimentación: 3 a 18 V
* Frecuencia máxima de clock: 10 MHz (10 V)
4 MHz (5 V)
* Corriente total: 0,8 mA (1 MHz x 5 V)
1,6 mA (1 MHz x 10 V)
Cada uno de los dos flop-flops se puede utilizar de forma independiente en dos modos de funcionamiento: disparado por reloj y directo.
DESCRIPCIÓN DEL COMPONENTE
La envoltura Dual In Line (DIL) de 14 pinos permite acceder a varios puntos del circuito de los flip-flops, destacándose las siguientes funciones:
a) Entrada CLOCK (CL) a través de la cual podemos comandar los cambios de estado del circuito.
b) Entrada DATA (D) donde se aplica el nivel de referencia, que se transfiere a la salida en el cambio de estado del flip-flop.
c) Entrada SET (S) que permite el establecimiento de una condición definida para el flip-flop.
d) Entrada RESET (R) que permite el establecimiento de un estado inicial de salida 0 al flip-flop.
e) Salidas complementarias Q y Q / que están siempre con niveles lógicos opuestos.
f) Pinos de alimentación VDD y GND (o VSS), que corresponden al perno + V ya la tierra.
CÓMO FUNCIONA EL 4013
Cuando las entradas SET y RESET se encuentran en el nivel lógico bajo, la salida Q adquiere el estado lógico que está presente en la entrada FECHA en el momento exacto en que se aplica la señal de CLOCK. Es claro que la salida complementaria Q / en este mismo instante va a adquirir el nivel lógico opuesto. Las salidas Q y Q / van a mantener el nivel registrado hasta que ocurra una transición positiva del reloj, que permita la lectura del nuevo estado de la entrada FECHA.
Si el nivel lógico aplicado a la entrada DATA se mantiene, no habrá cambio de estado del flip-flop y las salidas (Q y Q /) quedan en el mismo estado. Ver que las transiciones negativas de la entrada CLOCK no tienen ninguna influencia sobre el circuito, que mantiene los niveles de sus salidas.
Si la entrada RESET se lleva a un nivel lógico alto y la entrada SET se mantiene en el nivel bajo, la salida Q pasará al nivel bajo y la salida Q / pasará al nivel alto, cualquiera que sea el nivel de las entradas CLOCK y FECHA.
Si ahora sometemos la entrada SET a un nivel alto y mantenemos la entrada RESET en el nivel bajo, la salida Q pasa al estado alto y Q / al estado bajo, independientemente de los niveles de las entradas CLOCK y FECHA. La conclusión que tenemos es que los comandos que hacemos por las entradas SET y RESET son prioritarios en relación a los comandos aplicados a la entrada de CLOCK.
Y, finalmente, si somete las entradas SET y RESET simultáneamente a un nivel alto, las dos salidas van al nivel alto, independientemente de lo que ocurre en las entradas CLOCK y FECHA. Podemos describir mejor este comportamiento por la siguiente tabla de verdad:

En la figura 2 tenemos un diagrama de tiempos que ocurren en las transiciones de este circuito integrado, valiendo las siguientes definiciones:
tWH - anchura mínima del pulso de CLOCK en el estado lógico 1.
tWL - anchura mínima del pulso de CLOCK en el estado lógico 0.
tSLH - tiempo de Set-up para la transición positiva de salida (0 a 1)
tSHL - tiempo de Set-up para la transición negativa de la salida (1 a 0)
tpLH - retraso en la transición positiva de salida
tpHL - retraso en la transición negativa de salida
tTLH - tiempo de transición positiva o tiempo de ascenso
tTHL - tiempo de transición negativa o tiempo de descenso
Para los circuitos integrados 4013 con alimentación de 10 V los valores típicos son:
tPHL (tip) = 75 ns
TTHL (tip) = 50 ns
TWH (tip) = 50 ns
tSHL (tip) = 10 ns
fmax = 10 MHz
APLICACIONES
El circuito integrado 4013 se puede utilizar de dos formas:
a) En el modo CLOCK, las entradas SET y RESET deben ser conectadas a tierra. La entrada D determina entonces lo que el flip-flop va a hacer. La verdadera operación sólo se producirá en la transición positiva de la entrada de CLOCK.
Si D es positivo (nivel alto), el pulso de CLOCK hace que Q vaya al nivel alto y Q / vaya al nivel bajo. Si D es puesta a tierra, el pulso de CLOCK hace que Q vaya al nivel bajo y Q / al nivel alto.
b) En el modo directo, un pulso positivo en SET (alto) fuerza la salida hacia el nivel alto y su complementario al nivel bajo. Un pulso positivo de entrada de RESET (alto) fuerza la salida Q al nivel bajo y la complementa al nivel alto.
CIRCUITO 1
En la figura 3 tenemos un circuito divisor por 2 usando uno de los flip-flops del 4013.

La salida complementaria (Q /) se conecta a la entrada D, para realimentar el circuito dividiendo por 2 la frecuencia de la señal de entrada.
CIRCUITO 2
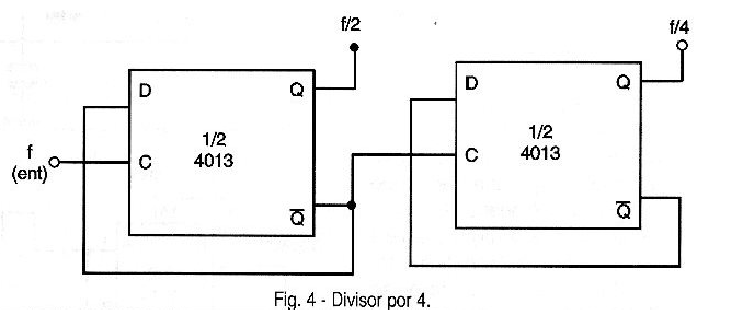
La conexión en cascada de dos flip-flops hace la división de la frecuencia de entrada por 4, como muestra la figura 4.
Observe que la salida para el segundo flip-flop no se toma de la salida Q, sino de su complementario.
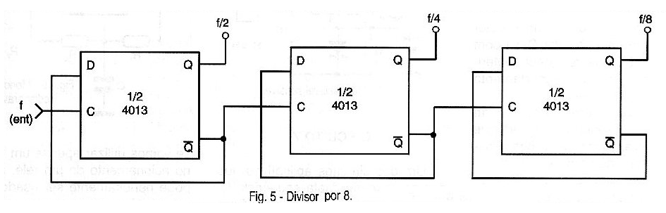
CIRCUITO 3
Con 3 flip-flops (que corresponden a un circuito integrado y medio) podemos hacer un divisor por 8, como muestra la figura 5.
En el tercer flip-flop, cada 8 pulsos de entrada tendremos un pulso de salida.
Observamos que en la utilización de uno de los flip-flops sólo del 4013 las entradas no usadas deben ser aterrizadas para evitar inestabilidades.
CIRCUITO 4
La activación de un relé a partir de pulsos (procedentes de un monoestable, por ejemplo) puede ser útil en diversos tipos de control. En la figura 6 damos una configuración que usamos con frecuencia en nuestros proyectos por su funcionalidad y simplicidad.
A cada pulso producido por el 555 que se obtiene de un sensor de entrada, el flip-flop cambia de estado y, consecuentemente, el relé también. El tiempo de duración del pulso de salida del monoestable (555) se calcula de modo que se evite la activación del sensor durante más de un instante produciendo diversos pulsos de salida y con ello el accionamiento errático del circuito.
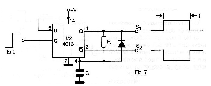
*(CIRCUITO 5
Damos en la figura 7 una aplicación diferente del 4013, que también puede ser usado como monoestable.
En los multivibradores monoestables comunes existe una retroalimentación interna que determina el final del pulso producido cuando entonces ocurre la conmutación. La conexión de la salida Q a una resistencia que carga un condensador C hace que el RESET sea retardado, obteniéndose con ello un comportamiento monoestable.
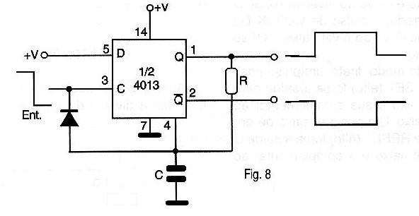
En la figura 8 tenemos un tipo de monoestable usando el 4013 en que el disparo se hace en las transiciones negativas del pulso de entrada.

En los dos circuitos el diodo sirve para descargar el condensador cuando ocurre la conmutación.
CIRCUITO 6
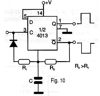
La posibilidad de utilizar el 4013 en la configuración monoestable, sumada a la sensibilidad de entrada de los circuitos CMOS nos lleva a circuitos de interruptores de toque muy eficientes, como el ejemplo mostrado en la figura 9.

En la figura 10 tenemos un circuito que puede ser redisparado, y en ambos casos la elección de una constante de tiempo apropiada es importante para eliminar los repiques.

CIRCUITO 7
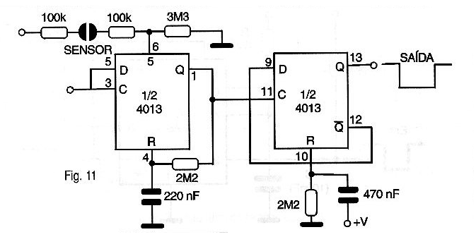
Uno de los circuitos de las aplicaciones que dimos al principio de esta secuencia fue una clave biestable en la que el 555 se utilizaba como monoestable en el accionamiento de un 4013. Pues bien, si vamos a utilizar sólo un flip-flop en el accionamiento de un relé, el otro puede perfectamente ser utilizado como monoestable, como muestra la configuración de la figura 11 que funciona como una excelente llave de toque.
En esta llave, cada toque en el sensor, el relé cambia de estado, conmutando así una carga externa.
CIRCUITO 8
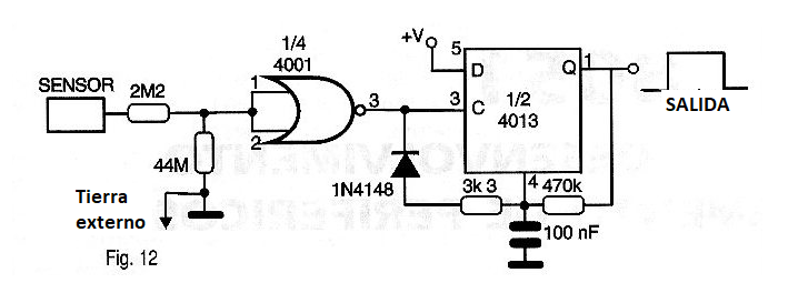
En la figura 12 como monoestable aún, una clave de proximidad en que la capacitancia de nuestro cuerpo (estimada en 200 pF) puede ser usada para dar paso a una señal que logra disparar el circuito integrado 4013.
El 4001 (o 4011) se conecta como inversor y se utiliza como disparador para proporcionar una señal rectangular de 60 Hz a 4013. La señal rectangular procede del ruido de la red de energía captado por nuestro cuerpo y transferido al sensor cuando nos acercamos a él.
CIRCUITO 9
En la figura 13, el 4013 en su configuración biestable, donde utilizamos 3 flip-flops (1 y medio 4013) como un secuenciador del tipo "brigada de cubos" o línea de retardo.
El comportamiento de este circuito queda más claro por la observación de los pulsos de salida en función de los pulsos de entrada, como ilustra la figura 14.

Activando directamente una entrada de TRIAC o SCR, esta configuración puede llevar a un efecto secuencial de 3 canales muy interesante. La velocidad del flujo o del efecto dependerá exclusivamente de la frecuencia del reloj. El 555 se puede utilizar en este tipo de proyecto como un eficiente reloj.
CONCLUSIÓN
El circuito integrado CMOS 4013 es más que un simple par de flip-flops permitiendo la elaboración de cientos de proyectos con las más variadas configuraciones y modalidad de funcionamiento. Las que hemos visto son sólo algunas, pero el lector imaginable puede crear fácilmente otras, y quizás hasta que participe en nuestra edición fuera de serie presentando a todos su capacidad de invención.












