Aquí hay un juego interesante que se puede hacer con un transmisor de radio: un intruso desconocido se esconde en su casa. Tal atacante envía señales que pueden ser recogidos en su radio transistor portátil. Su misión es localizar este invasor neutralizando su alimentación.

Las señales de radio se pueden localizar fácilmente por la directivita de las olas y su intensidad. Podemos hacer esto dentro de un ambiente cerrado usando un transmisor experimental y una pequeña radio AM a baterías.

Esta es la base de este juego que proponemos. Usted monta un pequeño transmisor de señales y oculta en cualquier lugar de su casa, club o escuela.

El propósito del juego es una misión que debe localizar el transmisor. Quién puede hacer esto primero será el ganador del concurso o desafío.

El transmisor, que enseñamos el lector a montar es simple. El receptor puede ser cualquier radio AM portátil (onda media). Lo alcance del transmisor es del orden de unos pocos metros, lo que requiere una buena habilidad para su localización.

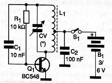
El transmisor consta de un oscilador Hartley simple con un solo transistor, cuya frecuencia está determinada por la bobina L1 y el ajuste de CV.

C1 y R1 hacen la señal de realimentación para la base del transistor que mantiene las oscilaciones. C2 desacopla la fuente.

Las señales se emiten principalmente por la bobina de ferrita sin necesidad de antena. A medida que la bobina tiene una cierta característica de diretividade de radiación, eso ayuda a hacer el juego más difícil.

Las señales emitidas son de onda continua (CW), es decir, sólo la portadora de RF que está sintonizado a una radio AM común, que aparece en el altavoz como una especie de "golpe" fácilmente identificable entre las estaciones.

El bajo consumo del circuito garantiza una buena durabilidad para las baterías. En la figura 1 tenemos el Diagrama del transmisor.

 

 

Figura 1
Figura 1

 

 

Como se trata de montaje muy sencillo, indicado para principiantes, sugerimos utilizar un puente de terminales, con la disposición de los componentes que se muestran en la Figura 2.

 

 

Figura 2
Figura 2

 

 

La bobina está enrollada en una varilla de ferrita de aproximadamente 1 cm de diámetro y de 15 a 25 cm de largo, que consta de 50 + 50 vueltas de alambre esmaltado 28 o cerca.

El capacitor variable es de una vieja radio AM. El transistor admite equivalentes y los capacitores pueden ser de cerámica como poliéster.

Para probar el dispositivo, conecte en sus proximidades una radio AM (onda media) común sintonizado a una frecuencia libre alrededor de 1.200 kHz. Ajuste CV para capturar la señal más fuerte.

Para jugar, diles a tus amigos que deben estar equipados con radios AM y lo que es la frecuencia aproximada de la señal del transmisor.

Luego ocultar el transmisor y comenzar el juego. Cada participante debe explorar el sitio con su radio de transistores sintonizados en el intervalo indicado para encontrar la señal del transmisor y debido a su intensidad, localizarlo.

Dile a tus amigos que tiene que moverse constantemente en sintonía, porque además de los pequeños cambios que se producen en sus propias radios, el transmisor propio flota su frecuencia constantemente.

Típicamente las señales se obtienen cuando los receptores se aproximan a distancias de 3 a 6 metros desde el transmisor. No ocultar el transmisor dentro de los objetos o gabinetes de metal, ya que estos materiales bloquean las señales.

 

Q1 – BC548 – transistor NPN

L1 – Bobina – ver texto

CV – capacitor variable – ver texto

S1 – Interruptor simple

B1 – 3 o 6 V – pillas

R1 – 10 k Ω x 1/8 W – resistor

C1 – 10 nF – capacitor

C2 – 100 nF capacitor

Diversos:

Puente de terminales, suporte de pillas, etc.