Una solución de mayor potencia, usando componentes discretos y que fue muy usada en equipos comerciales de décadas pasadas es la basada en el par complementario BD135 / BD136.
Proporcionando excelente calidad de sonido fue adoptada en muchos amplificadores comerciales por su facilidad de implementación y fidelidad.
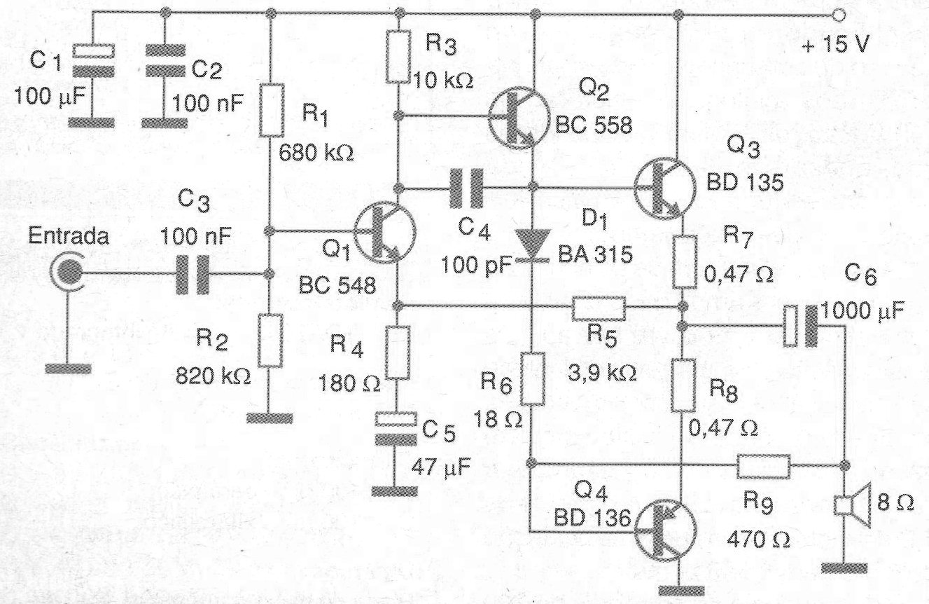
Si el lector necesita una etapa de media potencia para una aplicación y desea una solución analógica bastante tradicional, incluso didáctica, la que presentamos en la figura 1 merece ser analizada.
La placa de circuito impreso para el montaje de este amplificador se muestra en la figura 2.
La alimentación se puede hacer con tensiones de 12 a 15 V y la corriente drenada estará en torno a 800 mA.
Los transistores de salida deben ser montados en disipadores de calor y un par complementario equivalente es el formado por los transistores TIP28 y TIP29.
Observe, sin embargo, que la pinza de estos transistores no es la misma de los BD.
El resistor R5 eventualmente puede requerir pequeños cambios para fijar la corriente de reposo, aumentar y mejorar la simetría de la señal.
El altavoz debe ser de 8 ohmios con al menos 10 cm de diámetro, para obtener la mejor calidad de sonido.
LISTA DE MATERIAL
Semiconductores:
Q1 - BC548 o equivalente - transistores NPN de uso general
Q2 - BC558 o equivalente - transistores PNP de uso general
Q3 - BD135 - transistores NPN de media potencia
Q4 - BD136 - transistores PNP de media potencia
D1 - BA315 o 1N4148 - diodo de silicio
Resistores: (1/8 W, 5%)
R1 - 680 k ohms
R2 - 820 k ohms
R3 - 10 k ohms
R4 - 180 ohms
R5 - 3,9 k ohms
R6 - 18 ohms
R7, R8 - 0,47 ohms x 1 W
R9 - 470 ohms
Capacitores:
C1 - 100 uF x 16 V - electrolítico
C2, C3 - 100 nF - cerámico o poliéster
C4 - 100 pF - cerámico
C5 - 1 000 uF x 16 V - electrolítico
Varios:
FTE - 8 ohms x 10 cm o mayor - altavoz
Placa de circuito impreso, fuente de alimentación, hilos, soldadura, etc.





