Este simple temporizador puede mantener encendida una lámpara de 12 V por intervalos entre algunos segundos hasta algunos minutos, dependiendo del valor del capacitor usado y del ajuste de P1. Las lámparas con corrientes de hasta 1 A se pueden utilizar, dependiendo del MOSFET usado.

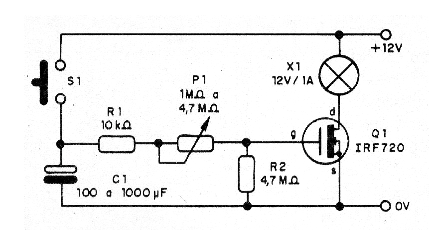
Podemos utilizar este circuito como temporizador para juegos, gincanas, control de procesos, etc. La alimentación se realiza por fuente con capacidad de acuerdo con la lámpara utilizada. En la figura 1 tenemos el diagrama completo del temporizador.

 

Figura 1 - Diagrama completo del temporizador
Figura 1 - Diagrama completo del temporizador | Clique na imagem para ampliar |

 

 

El montaje utilizando un puente de terminales se muestra en la figura 2. El transistor MOSFET debe estar dotado de un radiador de calor.

 

Figura 2 - Montaje mediante un puente de terminales
Figura 2 - Montaje mediante un puente de terminales | Clique na imagem para ampliar |

 

 

Para usar, basta con apretar S1 por un instante. La lámpara se encender y permanecerá por el intervalo de tiempo ajustado en P1.

 

 

Lista de material

 

Q1 - IRF720 - MOSFET de potencia - cualquier tipo

R1 - 10 k ohms x 1/8 W - resistor - marrón, negro, naranja

R2 - 4,7 M ohms x 1/8 - resistor - amarillo, violeta, verde

P1 - 1 M ohms a 4,7 M ohmios - trimpot o pote

C1 - 100 a 1 000 uF x 16 o más - capacitor electrolítico

X1 - 12 V hasta 1 A - lámpara incandescente

S1 - Interruptor de presión NA

Varios: puente de terminales, radiador para Q1, zócalo para la lámpara, hilos, soldadura, etc.