Describimos un sistema de luz rítmica extremadamente pequeño y simple, pudiendo ser utilizado en aparatos de pequeña potencia tales como radios FM y grabadores. Una lámpara de neón parpadeará al ritmo de la música ejecutada. Se trata de una versión "mini" de proyectos de mayor potencia que utilizan lámparas comunes.

El circuito funciona con un pequeño transformador que convierte los picos de baja tensión de la música, aplicados a un altavoz, en picos de alta tensión capaces de excitar una pequeña lámpara neón. Como la energía para alimentar la lámpara viene de la propia señal de audio, el circuito no necesita alimentación.

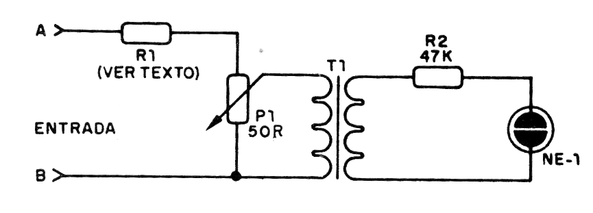
Un resistor limitador de corriente se utiliza para evitar la sobrecarga si el amplificador tiene una potencia más alta. Así, para potencias hasta 1, utilice un resistor de 10 ohms, para potencias de 1 a 5 W, utilice 22 ohmios y encima de eso, 47 ohms. En la figura 1 tenemos el diagrama completo del aparato.

 

Figura 1- Diagrama de la mini luz rítmica
Figura 1- Diagrama de la mini luz rítmica | Clique na imagem para ampliar |

 

 

El aspecto real del montaje se muestra en la figura 2.

 

Figura 2 - Aspecto real del montaje
Figura 2 - Aspecto real del montaje | Clique na imagem para ampliar |

 

 

El transformador puede ser cualquier pequeño transformador que se utilice en una fuente de alimentación con un primario de 110 V o 220 V y secundario de 5 a 12 V con corriente de 50 a 250 mA. La lámpara neón es del tipo sin resistencia interna, como la NE-2H.

El potenciómetro ajusta el punto de funcionamiento de acuerdo con el volumen del sonido reproducido. El circuito se conecta a los cables que van al altavoz del aparato.

 

 

Lista de material

 

NE-1 - Lámpara neón común - NE-2H o equivalente

T1- Transformador - ver texto

R1-resistor de 10 a 47 ohms- ver texto

R2- 22 k ohms a 47 k ohms x 1/8 W - resistor - rojo, rojo, naranja o amarillo, violeta, naranja

P1 - Potenciómetro de 50 ó 100 ohms de hilo

Varios: hilos, soldadura, caja para montaje, etc.