Si el lector ha conseguido un viejo microamperímetro de algún aparato antiguo fuera de uso, puede utilizarlo en la construcción de un sensible probador de continuidad y medidor de resistencias. El circuito es muy sencillo y útil.
Un ohmímetro es un instrumento que mide resistencia, y normalmente forma parte de los multímetros.
Con un microamperímetro sensible o incluso miliamperímetro podremos construir con facilidad y utilizarlo en la prueba de componentes en nuestra bancada.
Para un microamperímetro de 100 uA podremos medir resistencias hasta unos 100 k y con uno de 0 a 1 mA, podremos medir resistencia hasta 10 k ohms.
El circuito es muy simple, pudiendo ser alimentado por una o dos pilas pequeñas.
No hay necesidad de elementos amplificadores y el aparato tiene un solo ajuste a través de un trimpot.
En la figura 1 tenemos el diagrama completo del aparato.
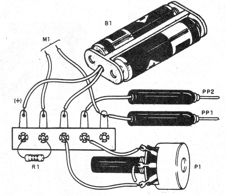
Como se utilizan pocos componentes, el montaje se puede realizar sobre la base de un pequeño puente de terminales, como se muestra en la figura 2.
Para utilizar una punta de prueba en la otra y cero el circuito actuando sobre el trimpot de modo que el instrumento marque la corriente máxima.
Después es sólo probar el componente, leyendo su indicación. Una escala puede ser hecha sobre la base de resistencias de valores conocidos.
Lista de material
M1 - microamperímetro o miliamperímetro
PP1, PP2 - puntas de prueba
B1 - 1 o 2 pilas
R1 - 1 k ohms x 1/8 W - resistor - marrón, negro, rojo
P1 - trimpot de 100 k ohmios (o potenciómetro)
Varios:
Puente de terminales, caja para montaje, etc.





