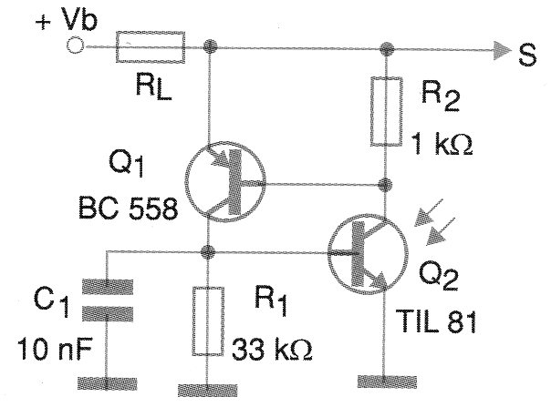
La finalidad del circuito mostrado en la figura 1 es simular un tiristor, con el disparo por la luz.

 


 

 

   

Cuando la luz incide en Q2, este transistor conduce, polarizando Q1 en el sentido de también hacerlo conducir. Con eso Q1 realimenta Q2 y tenemos un proceso muy rápido de disparo para el circuito que va a la plena conducción. Podemos decir que ese circuito es equivalente al de un SCR disparado por la luz.

   El resistor de carga puede tener valores entre 100 y 1000 ohms y la tensión de alimentación debe quedar en el rango de 9 a 15 V.

   Se pueden utilizar foto-transistores equivalentes al indicado. Recordamos que se trata de un dispositivo de baja capacidad de corriente. Esta capacidad es la corriente máxima que puede circular por la unión base / emisor del foto-transistor usado.

   En la figura 2 tenemos una placa de circuito impreso para implementación de ese circuito.

 


 

 

 

 

LISTA DE MATERIAL

 

Q1 - BC558 o equivalente - transistores PNP de uso general

Q2 - TIL81 o cualquier foto-transistor

RL - ver el texto

R1 - 33 k ohms x 1/8 W - resistor

R2 - 1 k ohms x 1/8 W - resistor

C1 - 10 nF - capacitor de cerámica o poliéster

Varios:

Placa de circuito impreso, hilos, soldadura, etc.