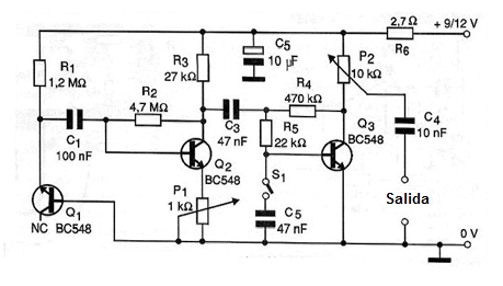
Nuestro circuito práctico, ilustrado en la figura 1, tiene una configuración similar a la anterior (MIN409S), pero con un rendimiento ligeramente diferente.

En este circuito tenemos también un transistor como generador de ruido, y dos etapas amplificadoras con transistores en la configuración de emisor común.
El montaje se puede hacer en una placa de circuito impreso con el patrón mostrado en la figura 2, si el aparato debe ser utilizado como fuente independiente de ruido.

El circuito tiene dos ajustes: el primero, hecho en P1 ajusta la polarización y ganancia de Q2 para determinar la simetría de la señal de ruido producida. El segundo se realiza en P2 y sirve para ajustar la intensidad de la señal de salida.
La alimentación de este circuito se puede realizar con tensiones de 9 a 12 V de batería o fuente. El consumo es muy bajo.
Para alimentar el circuito con tensiones mayores basta aumentar el valor de R6.
La llave S1 sirve para colocar el capacitor C5 en el circuito, produciendo así ruido blanco. Otros valores de capacitores diferentes del indicado pueden ser experimentados para modificar la gama dinámica del ruido producido, conforme la aplicación.



