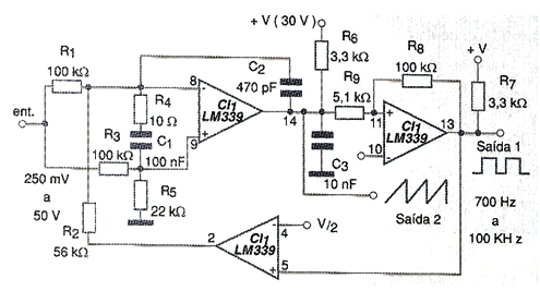
El circuito de la figura 1 es sugerido por National Semiconductor pudiendo generar señales de 700 Hz a 100 kHz cuando la tensión de entrada o control varía entre 250 mV y 50 V.

 

Figura 1
Figura 1

 

   

Se utilizan tres de los cuatro comparadores de tensión existentes en el circuito integrado LM339.

   Los condensadores de tiempo se pueden cambiar para generar otras bandas de tensión.

   La alimentación se realiza con una fuente de 30 V simple, observándose que la referencia V / 2 en las entradas de dos comparadores se puede obtener con un divisor formado por dos resistores de 10 k ohms.

   El circuito proporciona señales rectangulares y triangulares en dos salidas diferentes.

   Observe que son necesarios los resistores pull-up de 3,3 k ohms en las salidas de los comparadores para garantizar la polarización correcta de sus salidas, ya que ellas usan resistores con colector abierto.

   En la figura 2 tenemos una sugerencia de placa de circuito impreso para el montaje de este oscilador.

 

Figura 2
Figura 2

 

   

Evidentemente esta configuración puede ser cambiada conforme a las necesidades de proyecto, con el cambio de los comparadores usados ​​en cada etapa.

 

 

Lista de material

 

CI-1 - LM339 - cuádruple comparador de tensión

R1, R3, R8 - 100 k ohms x 1/8 W - resistores

R2 - 56 k ohms x 1/8 W - resistor

R4 - 10 ohms x 1/8 W - resistor

R5 - 22 k ohms x 1/8 W - resistor

R6, R7 - 3,3 k ohms x 1/8 W - resistores

R9 - 5,1 k ohms x 1/8 W - resistor

C1 - 100 nF - capacitor

C2 - 470 pF - capacitor

C3 - 10 nF - capacitor

Varios:

Placa de circuito impreso, fuente de alimentación de 30 V, hilos, soldadura, etc.