Describimos el montaje de un fotómetro muy simple que puede ser usado en la comparación de niveles de iluminación o de reflectancia o tonalidad de tintas.

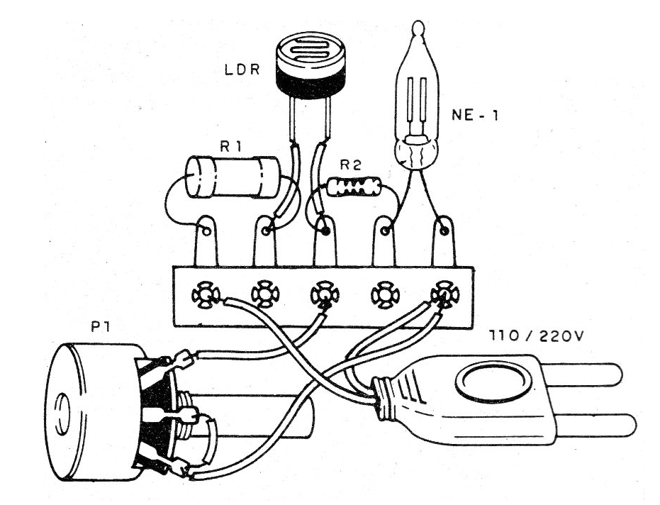
   En la figura 1 tenemos el circuito alimentado por la red de energía y utilizando como indicador una lámpara neón.

 

   Figura 1 - Fotómetro con lámpara de neón
   Figura 1 - Fotómetro con lámpara de neón | Clique na imagem para ampliar |

 

   

Su principio de funcionamiento es fácil de entender.

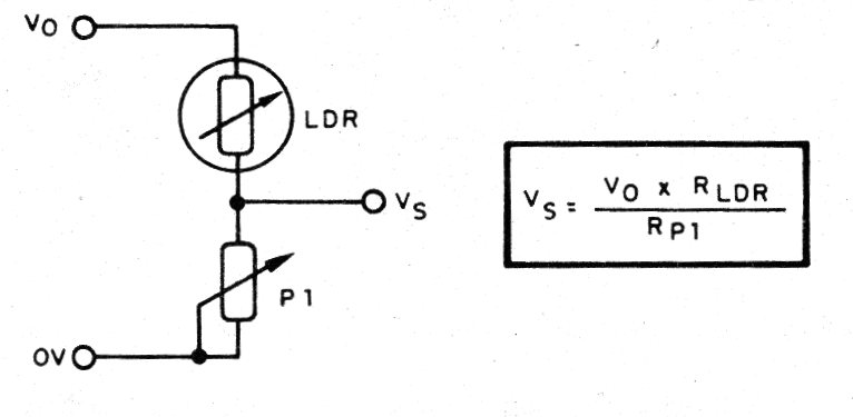
  El LDR y el potenciómetro P1 forman un divisor de tensión para la red de energía con la configuración mostrada en la figura 2

 

   Figura 2 - Divisor de tensión con el LDR y el Potenciómetro
   Figura 2 - Divisor de tensión con el LDR y el Potenciómetro | Clique na imagem para ampliar |

 

   

Se produce que la lámpara de neón necesita una tensión de 70 a 80 V para encenderse.

   Así, la tensión que aparece en la lámpara neón depende de la luz incidente en el LDR y del ajuste del potenciómetro.

   Podemos entonces calibrar el potenciómetro de tal forma que al girarlo la lámpara se enciende con la intensidad que está incidiendo en aquel momento y así leemos su valor en la escala.

    Con un potenciómetro lineal y utilizando un fotómetro comercial como referencia podemos hacer una escala precisa para el potenciómetro.

   En la figura 3 tenemos el montaje de ese fotómetro en un puente de terminales aislado.

 

   Figura 3 - Montaje en puente de terminales
   Figura 3 - Montaje en puente de terminales | Clique na imagem para ampliar |

 

   

El conjunto debe instalarse en una caja para evitar el contacto accidental en las partes que puedan causar choques.

   En la figura 4 tenemos una idea de caja para el montaje.

 

   Figura 4 - Montaje en caja
   Figura 4 - Montaje en caja | Clique na imagem para ampliar |

 

   

Para la red de 220 V utilice para R1 un resistor de 22k ohms x 5 W.

   No se asuste si este componente trabaja ligeramente calentado.

   

 

Lista de material

 

LDR - LDR redondo común

NE-1 - lámpara de neón común

R1 - 10 k ohms x 5 W - resistor de hilo

R2 - 100 k ohms x 1/8 W - resistor - marrón, negro, amarillo

P1 - 1 M ohms - potenciómetro

Varios:

Puente de terminales, cable de forma, caja para montaje, hilos, soldadura, etc.