El oscilador de doble T consiste en una interesante alternativa para la generación de señales senoidales de buena calidad en un rango de frecuencias que va de algunos hertzios a algunas decenas de kilohertz.

   La distorsión armónica típica de las señales generadas por este circuito es del orden del 1%.

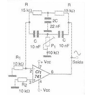
   El doble T determina la frecuencia de operación en una red de realimentación, siendo su frecuencia dada por los valores de los componentes conforme fórmula dada junto al diagrama de la figura 1.

 

Figura 1
Figura 1

 

   

Observe que los componentes de la doble T deben mantener las relaciones indicadas. El trimpot de ajuste permite seleccionar el punto de oscilación.

   El ajuste de este componente también posibilita la generación de oscilaciones amortiguadas por el circuito.

   Con los valores de los componentes en el circuito de la figura 1 la frecuencia generada estará en torno a 1 kHz.

   En la figura 2 tenemos una placa de circuito impreso para el circuito mostrado en la figura 1.

 

Figura 2
Figura 2

 

 

 

Lista de material

 

CI-1 - 741 o equivalente - amplificador operativo

R1, R2 - 10 k ohms x 1/8 W - resistores

R - 15 k a 100 k ohms - ver texto

P1 - 10 k ohms a 100 k ohms - trimpot - ver texto

C - 1 nF a 1 uF - ver texto - capacitores

Varios:

Placa de circuito impreso, fuente de alimentación simétrica, hilos, soldadura, etc.