Con este proyecto simple experimental podemos controlar un motor a partir de una linterna o de la luz ambiente. El circuito opera con motores de 3 a 6 V.

   Usando un LDR común como sensor, podemos controlar un pequeño motor a partir de la luz de una linterna o de la propia luz ambiente.

   El circuito es muy sensible, pudiendo ser usado en demostraciones, como parte de un automatismo o en un robot experimental simple que se mueve con la presencia de luz.

   La corriente máxima recomendada para el motor es de 500 mA, en cuyo caso el circuito debe ser alimentado por pilas medias o grandes.

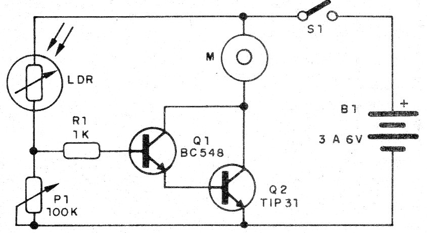
   En la figura 1 tenemos el diagrama completo del control.

 

   Figura 1 - Diagrama del fotomotor
   Figura 1 - Diagrama del fotomotor | Clique na imagem para ampliar |

 

   

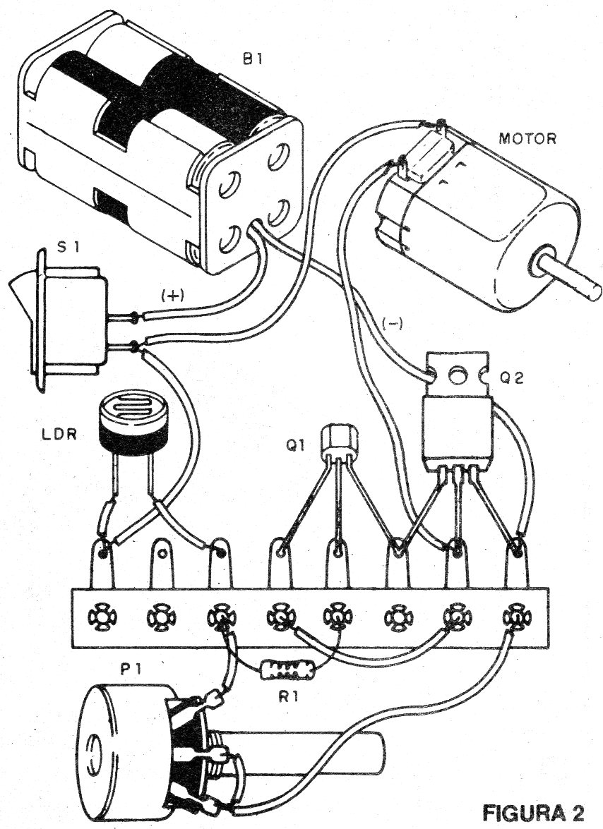
En la figura 2 tenemos el montaje en un pequeño puente de terminales.

 

   Figura 2 - Montaje en puente de terminales
   Figura 2 - Montaje en puente de terminales | Clique na imagem para ampliar |

 

   

En el montaje, observe las posiciones de los transistores y la polaridad de las pilas.

   El resistor es de 1/8 W con cualquier tolerancia y el LDR puede ser de cualquier tipo redondo común.

  El potenciómetro sirve para ajustar la sensibilidad del circuito en función de la iluminación de disparo.

   Monte el LDR en un tubo con lente para mayor directividad y sensibilidad.

 

 

Lista de Material

 

Q1- BC548 - transistores NPN de uso general

Q2 - TIP31 - transistores NPN de potencia

R1 - 1 k ohms - resistor - marrón, negro, rojo

P1 - 100 k ohms - pote

LDR - LDR redondo común

M - motor de 3 a 6 V con hasta 500 mA de corriente

S1 - Interruptor simple

B1 - 3 a 6 V - pilas - ver texto

Varios:

Puente de terminales, soporte de pilas, hilos, soldadura, etc.