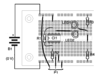
Podemos mostrar cómo funciona un amplificador operacional montando un simple circuito con el 741. El circuito puede ser implementado en una matriz de contacto.
En la figura 1 tenemos entonces el circuito para el experimento. Se pueden utilizar otros amplificadores operacionales, sólo debiendo observarse la disposición de las terminales.


En el experimento, partiendo de la posición de menor resistencia uno de los LEDs queda encendido y el otro apagado. A continuación, girar el potenciómetro hasta el momento en que alcanzamos la tensión de referencia dada por R1 eR2. En este instante, el operativo conmuta. Con eso, uno de los LEDs se apaga y el otro se enciende.
El potenciómetro debe prepararse previamente para tener tres cables de conexión que encajan en la matriz de contactos.
Lista de material
CI-1 - 741 - amplificador operacional
LED1, LED2 - LED rojos comunes o de otro color
R1, R2 - 10 k ohms x 1/8 W-resistor - marrón, negro, naranja
R3, R4 - 470 ohms x 1/8 W - resistores - amarillo, violeta, marrón
P1 - 1 M ohm - potenciómetro lin o log
B1 - 9 V - batería o fuente
Varios:
Matriz de contactos, conector de batería, hilos, etc.



