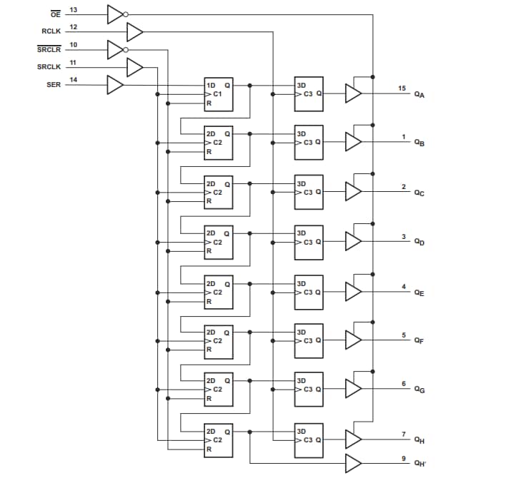
Los registros de desplazamiento de 8 bits SN74AHCT595/SN74AHCT595-Q1 de Texas Instruments cuentan con un registro de desplazamiento de entrada en serie y salida paralela de 8 bits que proporciona un registro de almacenamiento tipo D de 8 bits, el reloj de registro de desplazamiento (SRCLK) y el reloj de registro de almacenamiento. (RCLK) se activan por flanco positivo. El TI SN74AHCT595-Q1 tiene certificación AEC-Q100 para aplicaciones automotrices.




