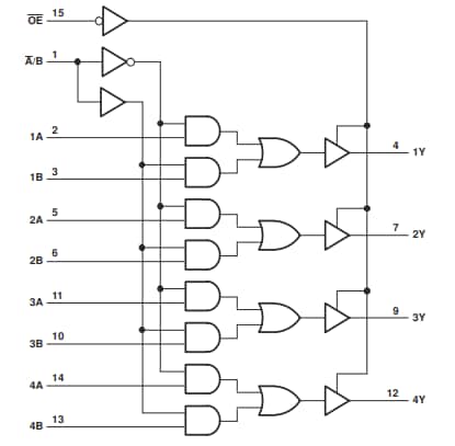
Los selectores/multiplexores de datos SN74LVC257A/SN74LVC257A-Q1 de Texas Instruments son dispositivos cuádruples de 2 líneas a 1 línea con un tiempo de retardo de propagación máximo de 4,6 ns a 3,3 V. Estos selectores/multiplexores de datos están diseñados para multiplexar señales de datos de 4 bits. fuentes a líneas de datos de 4 salidas en sistemas organizados en bus. Las salidas de 3 estados no cargan las líneas de datos cuando la entrada de habilitación de salida está en un nivel lógico alto. Los selectores/multiplexores de datos SN74LVC257A-Q1 están calificados para aplicaciones automotrices y están diseñados para funcionar dentro del rango de voltaje de 2,7 VCC a 3,6 VCC. Estos selectores/multiplexores de datos se utilizan en expansores de E/S, controladores de motores, servidores, conmutadores de red e infraestructuras de telecomunicaciones.




