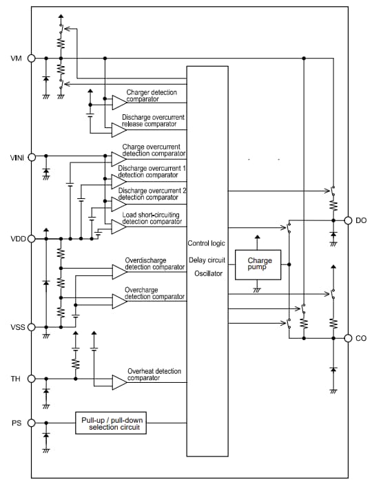
Los circuitos integrados de protección de batería ABLIC S-821A y S-821B incluyen un circuito de detección de tensión de alta precisión, un circuito de retardo y una bomba de carga de triple refuerzo para impulsar un FET de carga/descarga externa. Estos circuitos integrados de protección de lado alto utilizan una resistencia de detección de sobrecorriente externa para lograr una protección contra sobrecorriente de alta precisión con menos efecto de cambio de temperatura. Los circuitos integrados S-821A y S-821B cuentan con una precisión de tensión de detección de sobrecarga de ±15 mV, función de control de sobrecorriente de descarga y bajo consumo de corriente de 50 nA (a Ta=25 °C y durante el apagado). Estos circuitos integrados protegen las baterías recargables de iones de litio y las baterías recargables de polímero de litio.




