Se trata de un circuito “económico” que sustituye los reed-switches por alambres finos que son interrumpidos cuando se abre la puerta o la ventana.
El único inconveniente de esta versión es que cada noche los alambres deben ser colocados en posición de funcionamiento, por lo que es más adecuada para aberturas que permanecerán cerradas largo tiempo (por ejemplo casas de veraneo).
Estos alambres son sujetos a dos clavitos, uno en la parte fija y otra en la parte móvil de la ventana y conectados al circuito principal por medio de un par de alambres camuflados.
En la figura 1 tenemos e! circuito completo de este sistema.

En la condición de espera todos los alambres son interconectados, poniendo a tierra la compuerta del SCR. Si hubiera interrupción de uno de ellos, el SCR dispara, activa el relé y con esto es alimentado el sistema de alarma.
También en este caso, una vez activado, para reactivarlo no basta con rehacer las conexiones interrumpidas. Es necesario desconectar y conectar nuevamente S1, que debe quedar bien escondida.
La alimentación puede hacerse con pilas comunes, 4 u 8 conforme al tipo de relé usado (6 6 12V).
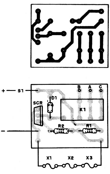
En la figura 2 damos Ia placa del circuito impreso.

SCR - MCR106, TIC106 o C106 - SCR común
K1 - Relés para 6V o para 12V
D1 - 1N4148 ó 1N914 - diodo de uso general
R1 – 47 k x 1/8 W - resistor (amarillo, violeta, naranja)
R2 – 1 k x 1/8 W - resistor (marrón, negro, rojo)
S1 - interruptor simple
X1, X2, X3 - sensores (ver texto)
B1 -6 ó12V-4 u 8 pilas
Varios: placa de circuito impresa, alambres finos, cajá para el montaje, soporte de pilas, alambres, etc.



