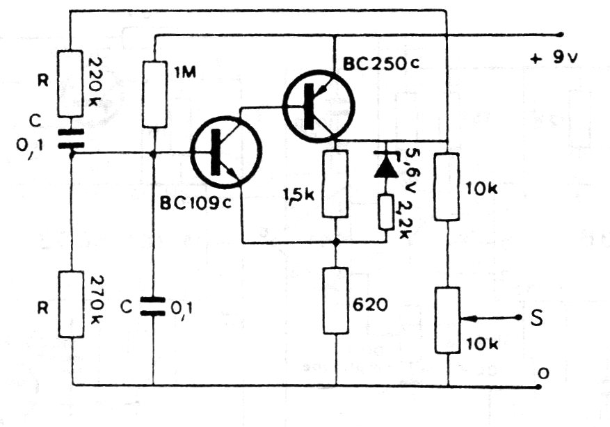
Este circuito fue encontrado en una documentación antigua, pero puede ser elaborado con transistores equivalentes como los BC548 y BC549. La frecuencia depende de R y C y para los valores indicados es de 6,5 Hz. La salida puede ser ajustada para permitir la operación como shield usando entradas analógicas de microcontroladores.




