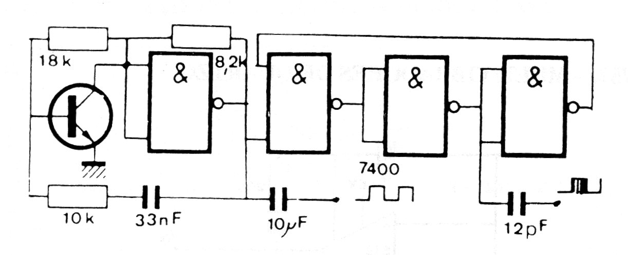
Este circuito TTL genera una señal de 18 MHz modulada en 300 Hz. Su uso principal es como generador de prueba para TV analógica. La alimentación es de 5 V. Como shield puede tener sus frecuencias alteradas según la aplicación.
Los amplificadores operativos necesitan fuentes simétricas típicamente entre 6 y 15 V. En este...
Es una experiencia hecha con elementos de fácil obtención y que sirve para mostrar de qué modo una...
Este timbre de tres tonos puede ser ampliado para más sonidos y hasta convertirse en un pequeño órgano...