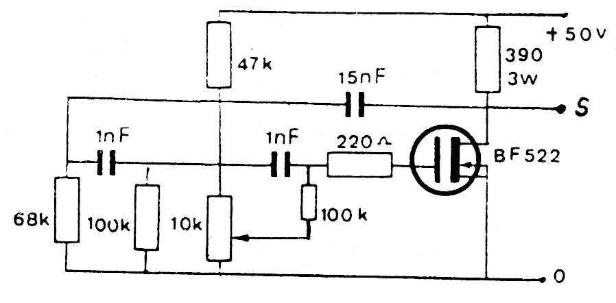
Encontramos este oscilador en una publicación de los años 60. La frecuencia es alrededor de 600 Hz con los componentes usados y cualquier MOSFET de potencia puede ser usado. Observe la alta tensión de alimentación. El potenciómetro sirve para ajustar el punto de oscilación según la red de desfase RC.




