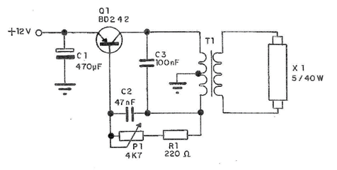
Este circuito también es un oscilador Hartley pero con potencia, pudiendo elevar la tensión de 12V de una batería a valores entre 200 y 500V suficientes para encender lámparas fluorescentes. La base es un transistor PNP de potencia que convierte el voltaje directo de la batería en alterno para que “pase” a través del transformador. El ajuste del punto de mayor eficiencia se realiza en P1 e incluso se pueden utilizar lámparas tenues de 5 a 40 vatios en este inversor.
En la figura tenemos el circuito completo de esta aplicación de transistores. Le recordamos que en el montaje final, el transistor debe montarse sobre un radiador de calor de al menos 5 x 5 cm.

Material:
Q1 – BD242 o TIP32 – transistor de potencia
R1 – 220 ohms – resistor
P1 – 4k7 – trimpot o potenciómetro
C1 – 470 uF x 12 V – capacitor electrolítico
C2 = 47 nF – capacitor de poléster o cerámico
C3 – 100 nF – capacitor de poliéster o cerâmico
T1 – Transformador com primário de 110 o 220 V e secundário de 6 a 12 V com 100 a 250 mA
Diversos: placa de circuito impreso, lámpara fluorescente etc.



