El proyecto presentado es interesante, pues permite la determinación de la velocidad de reacción de dos competidores con precisión. Este aparato puede ser utilizado en juegos, concursos de preguntas o incluso en juegos.
Lo que se tiene básicamente es un circuito que indica con precisión cuál de dos competidores accionó en primer lugar un botón, haciendo encender un LED correspondiente. En una broma de preguntas y respuestas, que accionar primero el interruptor al hacer la pregunta tendrá el derecho de intentar responderla.
La base del circuito es un circuito integrado C-MOS 4001, que consiste en 4 puertos NOR de dos entradas. En esta configuración se utilizan todos los 4 puertos.
El circuito completo del juego de velocidad se muestra en la figura 1, con los valores de los componentes.
La alimentación del circuito se realiza con una tensión de 9 V, que puede venir de una batería única común, y como semiconductores adicionales sólo tenemos los indicadores LED, uno que corresponde a cada competidor.
El accionamiento del circuito se realiza por medio de dos interruptores de presión, S1 y SZ, que deberán conectarse al circuito por medio de cables de uno a dos metros, de modo que puedan ser accionados a distancia por los competidores.
El interruptor S3, que es del tipo normalmente cerrado (como los usados en puertas de refrigeración), sirve para rearmar el circuito apagando momentáneamente la fuente de alimentación.
En este circuito, las puertas están conectadas como inversoras y de tal modo que el accionamiento de dos de ellas inhibe las otras dos, o sea, en cada instante sólo podremos tener un LED encendido.
¿Cuál LED será encendido dependerá entonces de cuál de las puertas se excita en primer lugar.
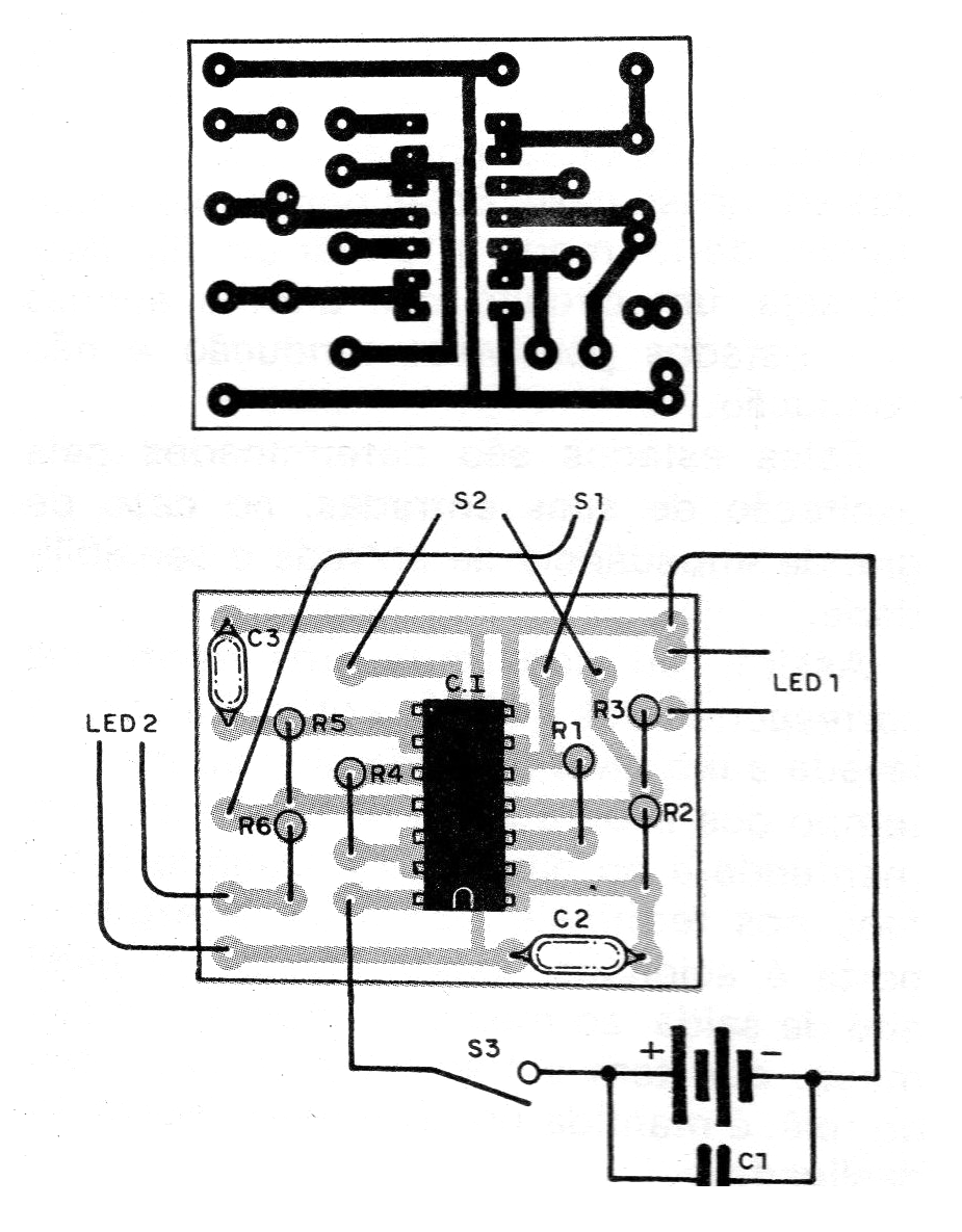
En la figura 2 tenemos la sugerencia de placa de circuito impreso para este montaje.
Los resistores son todos de 1/8 W con tolerancia del 10% o más, y los capacitores pueden ser tanto de poliéster metalizado como cerámicos, con los valores indicados.
Para el circuito integrado se puede utilizar un zócalo DIL de 14 pines, si el lector tiene dificultades para soldar sus delicados terminales directamente en la placa de circuito impreso.
En los dos montajes es importante observar después de la soldadura del integrado si no existen esparcimientos de soldadura en sus terminales, que puedan colocarlos en corto.
En el manejo del circuito integrado es conveniente no sostener nunca directamente en sus terminales, pues las cargas estáticas de su cuerpo pueden causarle daños.
Para el LED se debe observar su posición o polaridad, que es dada por el lado aburrido del envoltorio, que corresponde al cátodo y que, por lo tanto, debe estar conectado al polo negativo de la fuente de alimentación.
Lista de material
CI-1 - 4001 - circuito integrado C-MOS
LED1, LED 2 - LEDs comunes rojos
R1, R4 - 10 k x 1/8 W - resistores (marrón, negro, naranja)
R2, R5 - 220 k x 1/8 W - resistores (rojo, rojo, amarillo)
R3, R6 - 1k2 x 1/8 W - resistores (marrón, rojo, rojo)
C1 - 100 nF - capacitor de cerámica
C2, C3 - 22 nF - capacitores cerámicos o de poliéster
S1, S2 - interruptores de presión comunes
S3 - Interruptor normalmente cerrado
B1 - batería de 9 V
Varios: caja para montaje, placa de circuito impreso, hilos, soldadura, etc.





