Monte un simple proyecto experimental de un transmisor de ondas de radio que utiliza un motor para producirlas. El circuito se basa en experimentos del inicio de la era de la radio.
Al principio de la era de la radio, cuando aún no existían componentes como válvulas y transistores para generar olas, una primera estación en Nueva York usaba un motor como transmisor.
El motor que giraba en una rotación muy alta producía una tensión alternada de algunos cientos de kilociclos que, tras pasar por un circuito de modulación, era llevada a una antena.
Por supuesto, el sistema ya no se utiliza, pero podemos hacer un pequeño transmisor experimental que utiliza un motor, funcionando como dínamo para generar señales de radio.
Una configuración como la mostrada en la figura 1 podría utilizarse en un primer proyecto.
En la versión original se utiliza un dínamo que genera una corriente de 100 kHz.
En nuestro caso, podemos usar un pequeño motor y lo que se aprovecha es la rápida conmutación de las escobillas que, teniendo como carga un circuito inductivo, genera una señal rica en armónica, el cual aplicado a una antena resulta en ondas de radio.
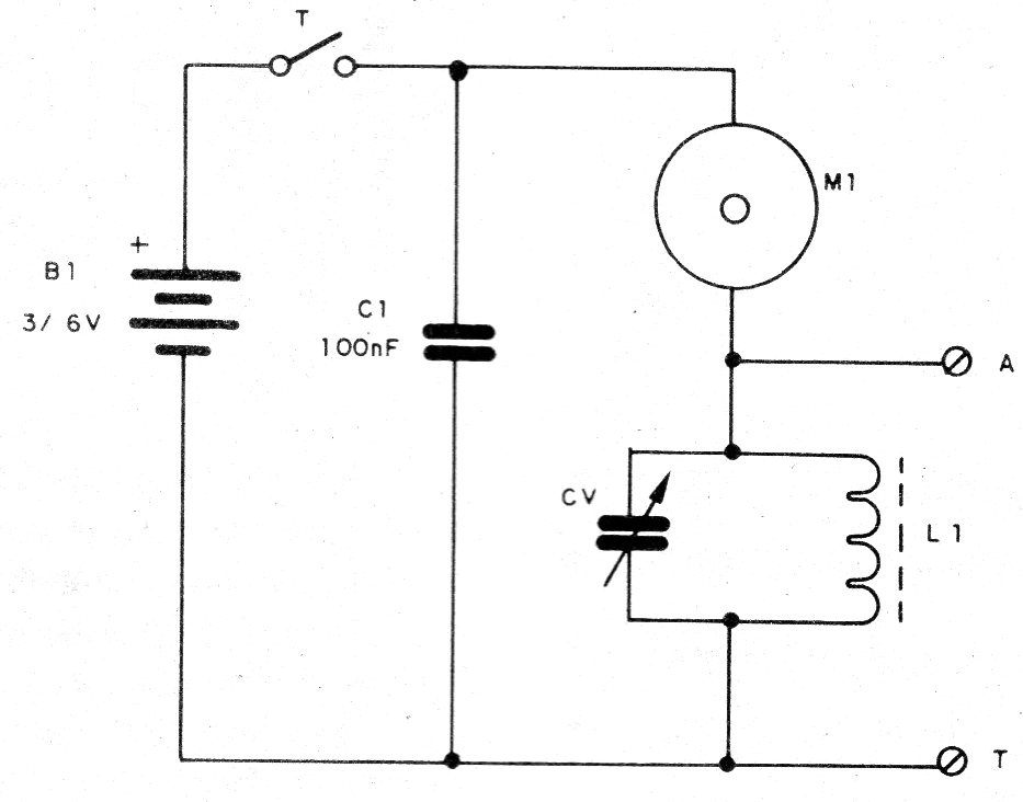
En nuestro caso, vamos a utilizar una configuración mejorada que se muestra en la figura 2.
En este circuito, la conmutación de las escobillas del motor genera una señal rica en armónicos, el cual aplicado a un circuito sintonizado hace que sólo una señal de determinada frecuencia sea llevada a una antena.
El circuito transmite ondas continuas (CW), pudiendo ser usado en transmisiones telegráficas (ver otros artículos en el sitio).
El alcance es de unos metros, y la recepción de la señal se puede hacer en un radio de ondas medias.
El montaje puede realizarse utilizando un pequeño puente de terminales aislados, como se muestra en la figura 3.
La bobina consta de 60 a 100 espiras de alambre esmaltado fino (28 o 30 AWG) en un bastón de ferrita.
El condensador variable CV puede ser aprovechado de cualquier radón de ondas medias fuera de uso.
La antena consiste en un pedazo de hilo común de 1 a 5 metros de longitud.
El motor puede ser de cualquier tipo para 2 o 4 pilas pequeñas.
Lista de material
M1 - Motor de 3 o 6 V
CV - capacitor variable - ver texto
L1 - Bobina - ver el texto
B1 - 3 o 6 V - 2 o 4 pilas pequeñas
T - manipulador
C1 - 100 nF - capacitor de cerámica
Varios:
Puente de terminales, soporte de pilas, hilos, soldadura, etc.






