Este es un simple montaje didáctico que se puede realizar sobre la base de un puente de terminales o una matriz de contacto. La frecuencia del oscilador presentado es controlada por la luz que incide en un LDR. El circuito se puede utilizar como un theremin óptico.
Si bien los transistores unijuntura ya no son componentes muy comunes actualmente, muchos proyectos interesantes se pueden realizar con ellos.
El circuito presentado consiste en un oscilador de relajación donde la frecuencia depende tanto del valor de C1 como de la resistencia presentada por el LDR.
Como la resistencia presentada por el LDR depende de la luz incidente, tenemos un oscilador controlado por la luz.
Cuanto mayor sea la intensidad de la luz, mayor será la frecuencia del sonido producido en un pequeño bocina.
Podemos utilizar un pequeño altavoz, eliminando R3.
En la figura 1 tenemos entonces el circuito del oscilador controlado por la luz.
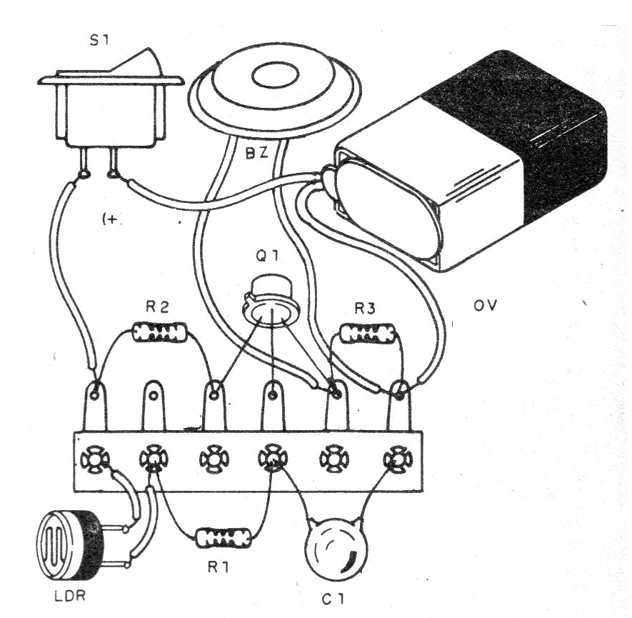
El montaje, basado en un puente de terminales aislados, se muestra en la figura 2.
En el montaje, observe la posición del transistor unijuntura y la polaridad de la batería.
Lista de material
Q1 - 2N2646 - transistores unijuntura
LDR - LDR redondo común
BZ - transductor piezoeléctrico (cápsula)
R1 - 10 k ohms x 1/8 W - resistor - marrón, negro, naranja
R2 - 100 ohms x 1/8 W - resistor - marrón, negro, marrón
C1 - 22 nF - capacitor de cerámica o poliéster
B1 - 9 V - batería
S1 - Interruptor simple
Varios:
Puente de terminales, conector de batería, hilos, soldadura, etc.





