Este circuito puede encender una pequeña lámpara fluorescente (4 a 15 W) a partir de pilas o baterías. Se puede utilizar en sistemas de iluminación de emergencia o con fuentes alternativas, como las que hacen uso de las células solares.
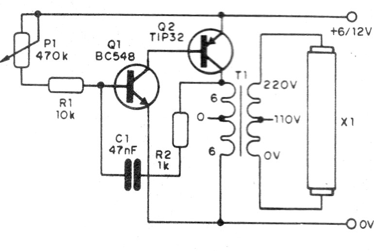
El circuito presentado convierte una baja tensión de las pilas o una batería de 6 a 12 V en una alta tensión capaz de encender una pequeña lámpara fluorescente.
Incluso las lámparas que ya no funcionan en la red de energía se pueden utilizar, ya que los picos de alta tensión aún se pueden ionizar el gas en el interior de la lámpara.
El brillo de la lámpara se ajusta en P1, pero normalmente se encuentra por debajo de la normalidad de la lámpara dada el rendimiento del circuito.
En la figura 1 tenemos el diagrama completo del aparato.
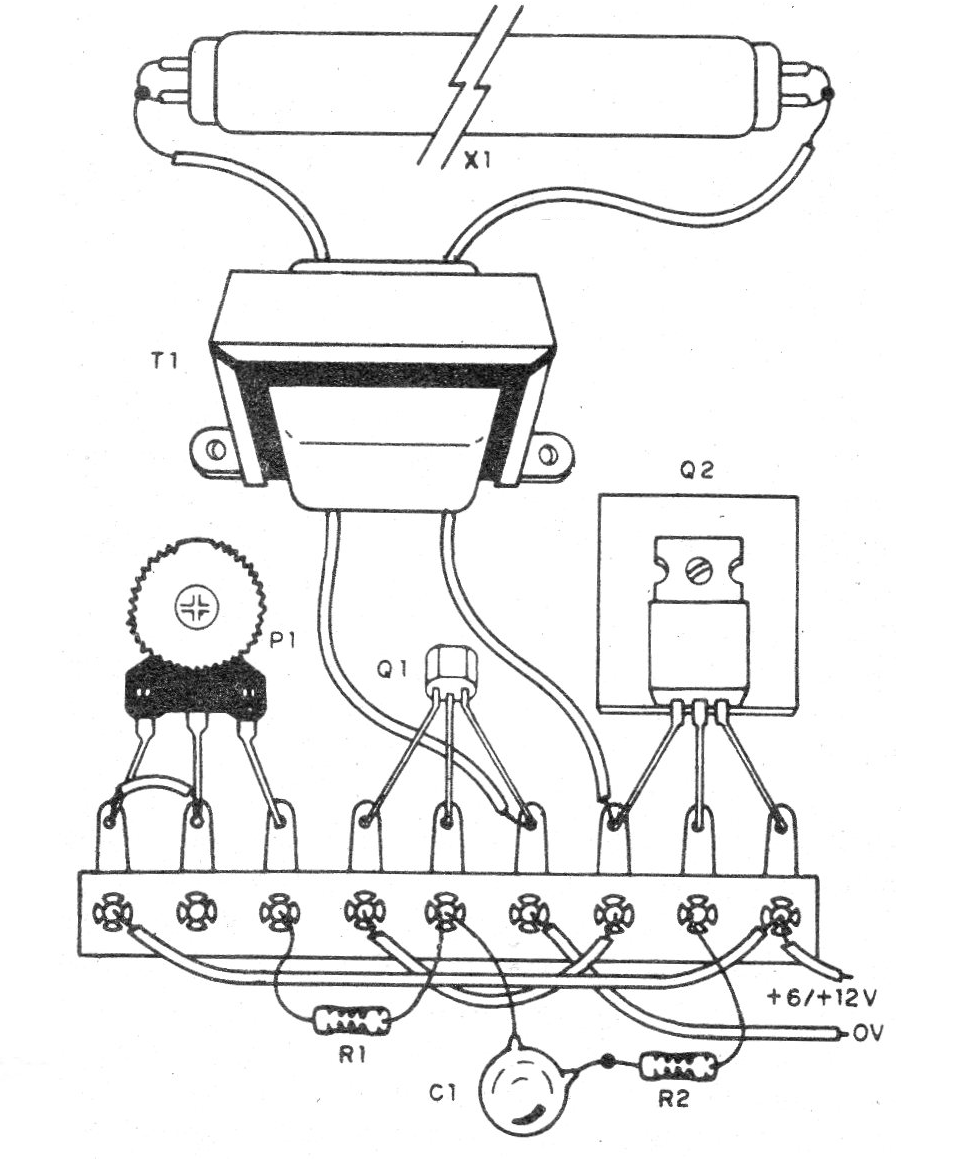
El montaje basado en un pequeño puente de terminales se muestra en la figura 2.
El transistor Q2 debe estar dotado de un radiador de calor.
El radiador consiste en una pequeña placa metálica adherida al transistor por un tornillo.
El transformador puede ser cualquiera que tenga secundario de 6 a 12 V con corriente de 200 a 500 mA y primario de 110 V o 220 V.
El aparato tiene un consumo algo elevado y no se recomienda su uso con pilas pequeñas.
Lista de material
Q1 - BC548 - transistores NPN de uso general
Q2 - TIP32 - transistores PNP de potencia
T1 - Transformador - ver texto
P1 - 470 k ohms - pote
R1 - 10 k ohms x 1/8 W - resistor - marrón, negro, naranja
R2 - 1 k ohms x 1/8 W - resistor - marrón, negro, rojo
C1 - 47 nF - capacitor de cerámica o poliéster
X1 - Lámpara fluorescente de 5 a 15 W
Varios:
Puente de terminales, caja para montaje, disipador para el transistor, hilos, soldadura, etc.





