Algunos tipos de insectos que "pican" a seres humanos como pernilongos, muriçocas, mutuns, o sea allí como se conocen en diversas regiones de Brasil, no soportan determinados sonidos continuos de ciertas frecuencias. Basados en este hecho describimos un emisor de sonidos que perturban ciertos insectos, pudiendo funcionar como repelente.
Los estudios controvertidos muestran que las frecuencias que incomodan los insectos, pueden variar bastante, desde los infrassons hasta los ultrasonidos.
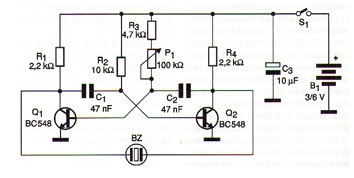
Algunos investigadores, por ejemplo, afirman que las frecuencias que tienen efectos más positivos están en el rango de 2 a 7 kHz y esta es justamente la banda generada por el aparato que describimos a continuación. Un potenciómetro (P1) permite que el usuario del aparato ajuste la frecuencia y así haga experimentos en el sentido de encontrar aquellas que produzcan los efectos deseados.
El circuito es bastante simple y se basa sólo en transistores, lo que facilita mucho su montaje por los lectores principiantes o por los que no tienen muchos recursos en su banco de electrónica. La alimentación se puede hacer con dos o cuatro pilas pequeñas y como la corriente drenada es muy pequeña, su durabilidad es enorme. En la figura 1 tenemos el diagrama completo del aparato.
En la figura 2 tenemos la disposición de los componentes en un puente de terminales que cabe fácilmente con los demás elementos (pilas y buzzer) en una pequeña caja plástica.

El transductor utilizado es del tipo piezoeléctrico de cerámica, un bocadillo piezoeléctrico o equivalente, sirviendo, por ejemplo, una cápsula de auricular cristalino o cerámico. Los transistores admiten equivalentes ya que cualquier NPN de uso general sirve. Hasta los tipos PNP se pueden utilizar con la inversión de la polaridad de las pilas. Las resistencias son de 1 / 8W y para el ajuste tanto se puede utilizar un potenciómetro como un trimpot.
Los capacitores C1 y C2 son de poliéster o cerámicos mientras que C3 y un electrolítico de 6 V cuyo valor puede quedar entre 10 uF y 220 uF. Para probar el aparato es sólo conectar la alimentación y ajustar P1 para que haya la emisión de un sonido semejante al producido por el insecto yo se desea espantar o un insecto zumbador común. Para usar, basta con dejar el aparato encendido. Haga intentos en diversas frecuencias para descubrir la que funciona.
LISTA DE MATERIAL
Semiconductores:
Q1, Q2 - BC548 o equivalente - transistores NPN de uso general
Resistores: (1/8 W, 5%)
R1, R4 - 2,2 k ohms - rojo, rojo, rojo
R2 - 10 k ohms - marrón, negro, naranja
R3 - 4,7 k ohms - amarillo, violeta, rojo
P1 - 100 k ohms - trimpot o pote
Capacitores:
C1, C2 - 47 nF (473 o 0,047) - cerámicos o poliéster
C3 - 10 uF a 220 uF / 6V - electrolítico
Varios:
BZ - Transductor cerámico MP-10 o equivalente
S1 - Interruptor simple
B1 - 2 o 4 pilas - 3 o 6 V
Puente de terminales, soporte de pilas, caja para montaje, botón para el potenciómetro, hilos, soldadura, etc.




