Este pequeño paso amplificador se puede utilizar como refuerzo para auriculares o como preamplificador para micrófonos y fonocaptores de antiguos tocadiscos.
El circuito tiene una buena ganancia y una alta impedancia de salida.
Los auriculares de tipo magnético de alta impedancia o piezoeléctricos se pueden utilizar con este circuito.
Su consumo es muy bajo y la impedancia de entrada algo elevada.
R2 puede tener su valor cambiado en función del transistor utilizado para obtener el mejor rendimiento.
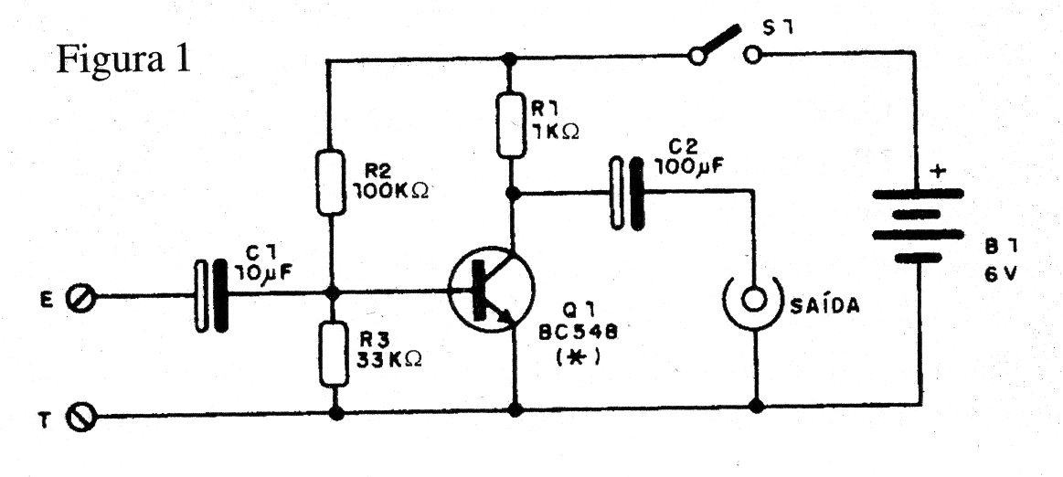
En la figura 1 tenemos el diagrama completo del aparato.
El montaje puede efectuarse sobre la base de un pequeño puente de terminales.
Lista de Materiales
Q1 – BC548 – transistor
R1 – 1 k x 1/8 W – resistor
R2 – 100 k x 1/8 W – resistor
R3 – 33 k x 1/8 W – resistor
C1 – o uF x 6 V - capacitor electroítico
C2 – 100 uF x 16 V – capacitor electrolítico
B1 – 6 V – pilas o bateria
S1 – Interruptor
Vários: puente de terminales, hilos, soldadura, etc.





