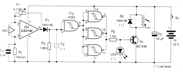
El circuito mostrado en la figura 1 hace que un LED se encienda o un relé cierre sus contactos cuando el sonido es captado por el micrófono.

Utilizando un relé, podemos usar el circuito como "vox" o sea, una llave que conecta un grabador u otro equipo en función del sonido ambiente.
La sensibilidad del circuito es controlada por el potenciómetro de realimentación.
El micrófono utilizado es del tipo dinámico de baja impedancia (100 a 600 ohms) y el relé debe tener tensión de bobina de acuerdo con la tensión de alimentación.
El capacitor C3 sirve para evitar repiques del relé, filtrando pequeñas oscilaciones de sonido que no deben actuar sobre el circuito. Su valor puede quedar entre 10 nF y 1 uF.
El micrófono debe instalarse cerca del circuito. Si se instala a más de 1 metros se debe utilizar un cable blindado para su conexión.
En la figura 2 tenemos una sugerencia de placa de circuito impreso para su montaje.

Como, en la condición de espera, el consumo es muy bajo, se pueden utilizar pilas o baterías en la fuente de alimentación.
Si se utiliza una fuente externa, su filtrado debe ser excelente para que los roncos de la red de energía no provoquen el accionamiento aleatorio del circuito.
Lista de material
CI-1 - CA3140 - amplificador operacional - circuito integrado
CI-2 - 4093 - circuito integrado CMOS
Q1 - BC548 o equivalente - transistores NPN de uso general
D1 - 1N4148 - diodo de uso general
LED1 - LED rojo común
R1 - 100 k ohms x 1/8 W - resistor - marrón, negro, amarillo
R2 - 1 M ohms x 1/8 W - resistor - marrón, negro, verde
R3 - 1 k ohms x 1/8 W - resistor - marrón, negro, rojo
P1 - 4,7 M ohms - pote
C1 - 10 nF - capacitor de cerámica o poliéster
C2 - ver texto - 10 nF a 1 uF
C3 - 100 uF x 12 V - capacitor electrolítico
S1 - Interruptor simple
MIC - micrófono dinámico de 100 a 600 ohms
B1 - 6 a 12 V - pilas o batería
Varios:
Placa de circuito impreso, soporte para pilas o conector de batería, caja para montaje, hilos, soldadura, etc.



