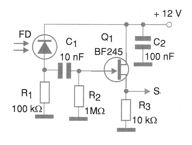
El circuito de la figura 1 puede ser utilizado como receptor para el bloque anterior. Su sensor es un foto-diodo o foto-transistor de cualquier tipo.
El transistor de efecto de campo de unión puede ser de cualquier tipo. Este circuito puede trabajar con señales moduladas hasta algunos cientos de quilohertz.
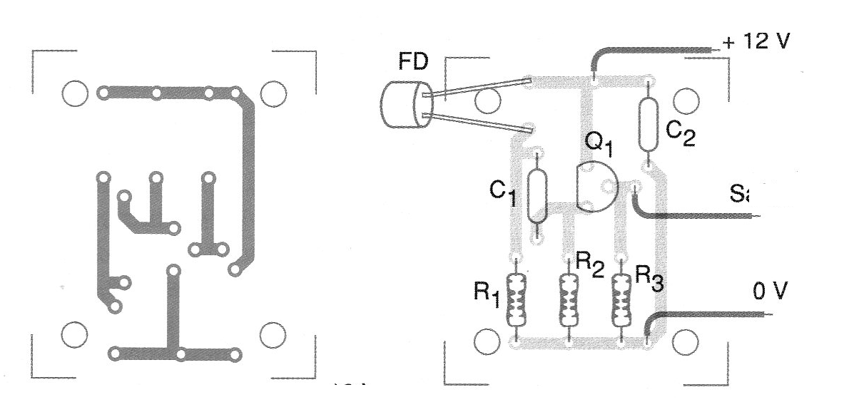
Los recursos ópticos se deben utilizar para concentrar la radiación en la foto-sensor y así obtener mayor alcance para el enlace.
Una placa de circuito impreso para el montaje se muestra en la figura 2.
LISTA DE MATERIAL
Q1 - BF245 o equivalente - FET de unión (JFET)
FD - Foto-diodo o foto-transistor
R1 - 100 k ohms x 1/8 W - resistor
R2 - 1 M ohms x 1/8 W - resistor
R3 - 10 k ohms x 1/8 W - resistor
C1 - 10 nF - capacitor de cerámica o poliéster
C2 - 100 nF - capacitor de cerámica o poliéster
Varios:
Placa de circuito impreso, hilos, soldadura, etc.





