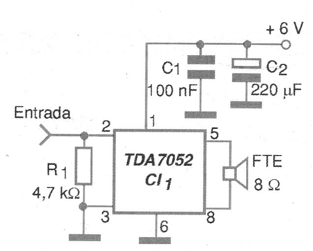
Una solución interesante para sistemas de comunicación rápida, aviso de funcionamiento, amplificación de señales de alarma, grabadoras digitales, etc. es el amplificador mostrado en la figura 1.
Se basa en el circuito TDA 7051 que proporciona cerca de 1 W con alimentación de 6 V y sólo necesita una resistencia y dos capacitores externos. Para el acoplamiento al circuito externo es interesante utilizar un capacitor de 100 nF a 10 uF dependiendo de la fuente de señal.
Los capacitores C1 y C2 deben montarse lo más cerca posible de los pines de alimentación. El altavoz puede ser de cualquier tipo el tamaño con las impedancias en el rango indicado en el diagrama.

La placa de circuito impreso para el montaje de este paso amplificador se da en la figura 2.
Lista de material
CI-1 - TDA7052 - amplificador, circuito integrado
R1 - 4,7 k ohms x 1/8 W - resistor
C1 - 100 nF - capacitor de cerámica
C2 - 220 uF x 6 V - capacitor electrolítico
Varios:
Placa de circuito impreso, hilos, soldadura, etc.




