Con este aparato es posible verificar el estado de capacitores de alta tensión como los de poliéster y cerámicos, y otros con tensión de trabajo de al menos 200 V si la red es de 110 V, y 400 V si la red es de 220 V. La prueba permite detectar fallos de aislamiento en cables, conectores, etc. cuando una lámpara de neón se enciende. Incluso una resistencia de decenas de megohms es suficiente para hacer que la lámpara se encienda, indicando la anormalidad del componente. Newton C. Braga
Lea más:
El circuito opera con una corriente extremadamente baja, y como está conectado directamente a la red de energía debe merecer atención del montador, en el sentido de aislar bien todas sus partes.
El montaje en una caja cerrada es recomendable y su conexión debe ser siempre hecha al componente en prueba con el enchufe fuera de la toma.
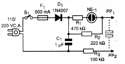
En la figura 1 tenemos el diagrama completo de este probador de aislamiento.

En la figura 2 tenemos la disposición de los componentes en un puente de terminales que sirve de chasis.

La lámpara de neón puede ser de cualquier tipo y los resistores son de 1/8 W o mayores.
El diodo utilizado es el 1N4007 para las dos redes de energía (110 V o 220 V).
Para la red de 110 V se puede utilizar también el 1N4004.
El capacitor C1 es de poliéster metalizado con una tensión de trabajo de al menos 200 V si la red es de 110 V y al menos 400 V si la red es de 220 V.
Para utilizar el aparato, basta con colocar las puntas de prueba en los terminales del capacitor o componente en prueba.
Sólo podrán probarse componentes que soporten una tensión de al menos 200 V si la red es de 110 V y el doble si la red es de 220 V.
Si la lámpara se enciende en la prueba y así permanece, es señal de que hay fugas en el capacitor en prueba o problemas de aislamiento si el componente probado es un cable o conector.
El encendido momentáneo (en el momento en que el aparato se enciende) es normal cuando se prueban los capacitores de más de 10 nF.
Será interesante disponer de algunos capacitores comunes para la demostración.
Estos capacitores se pueden conseguir fácilmente en equipos electrónicos fuera de uso.
Lo interesante es que el propio aparato va a servir para indicar si están o no en buen estado.
QUÉ EXPLICAR
Los capacitores se estudian en el curso medio en física.
Una demostración práctica de su funcionamiento es muy interesante y esto se puede hacer con la prueba que describimos.
Una posibilidad interesante para los profesores es montar un capacitor usando hojas de aluminio o aún una botella de Leyden.
En las explicaciones se debe tener en cuenta que:
* Los capacitores deben aislar la corriente y por lo tanto no debe encenderse la lámpara de neón. Explique cómo funcionan los capacitores y cómo funcionan los aisladores de los hilos.
* Explique cómo funciona la lámpara de neón. Este tema es interesante si se asocia con la ionización, tema estudiado en química y física en la enseñanza media.
* Coloque las puntas de prueba en contacto con el agua de un vaso. La lámpara debe encenderse indicando que es conductora de electricidad. Haga experimentos con diversos materiales para detectar cuáles son los buenos conductores, malos conductores y los buenos aislantes.
Nota: el agua común es conductora debido a la presencia de sales minerales e impurezas. El agua pura es un buen aislante.
LISTA DE MATERIAL
D1 - 1N4007 - diodo de silicio
F1 - Fusible de 500 mA
S1 - Interruptor simple
C1 - 1 uF / 200 V - capacitor de poliéster - ver el texto
R1 - 470 k ohms - resistor - amarillo, violeta, amarillo
R2 - 220 k ohms - resistor - rojo, rojo, amarillo
R3 - 100 k ohms - resistor - marrón, negro, amarillo
NE-1 - lámpara de neón común
PP1, PP2 - Extremidades de prueba
Cx - capacitor o componente en prueba
Varios:
Puente de terminales, soporte para el fusible, cable de alimentación, caja para montaje, garras jacaré o puntas de prueba, hilos, soldadura, etc.



