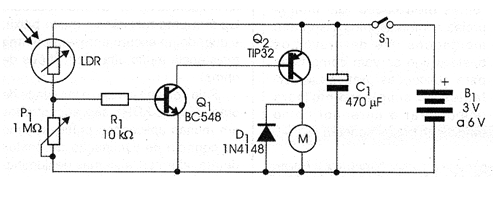
Este circuito acciona un motor cuando el LDR está iluminado. La configuración mostrada en la figura 1 puede servir de base para un juguete, como un robot que es accionado por un farol o un carro de carreras.

El ajuste de la sensibilidad se realiza en P1 y para mayor directividad en el accionamiento el LDR debe montarse en un tubo opaco.
El transistor Q2 debe estar dotado de un radiador de calor si el motor requiere una corriente mayor a 200 mA. El lector percibirá la necesidad de este disipador si, al hacer el circuito funcionar, ese componente se calienta demasiado.
En la figura 2 tenemos el montaje de este circuito en un puente de terminales, versión ideal para estudiantes e iniciantes.

Los que tienen recursos pueden elaborar el montaje en una placa de circuito impreso. Para demostraciones el montaje se puede realizar en una matriz de contactos.
Para la alimentación se pueden utilizar dos o cuatro pilas de cualquier tamaño dependiendo del motor.
Lista de material
Q1 - BC548 o equivalente - transistores NPN de uso general
Q2 - TIP32 - transistores PNP de potencia
D1 - 1N4148 - diodo de uso general
LDR - LDR redondo común
P1 - 1 M ohms - trimpot
R1 - 10 k ohms x 1/8 W - resistor - marrón, negro, naranja
C1 - 470 uF x 12 V - capacitor electrolítico
M - Motor común de 3 a 6 V
S1 - Interruptor simple
B1 - 3 o 6 V - 2 o 4 pilas (véase el texto)
Varios:
Puente de terminales, soporte de pilas, caja para montaje, hilos, soldadura, etc.



