Las señales cuya forma de onda es del tipo diente de sierra normalmente son generadas por osciladores de relajación con transistores unijuntura, PUTs (Transistores Programables Unijuntura), SCRs y otros dispositivos semiconductores menos comunes. El circuito que describimos en este artículo opera con transistores comunes y su frecuencia se puede ajustar en una amplia gama de valores.
El circuito que describimos puede servir de base de tiempo para un osciloscopio de baja frecuencia, como generador de tono para instrumentos musicales o incluso en convertidores A / D usados en instrumentos digitales de medida. Su principal característica está en el hecho de usar transistores comunes y por lo que no es crítico y de fácil montaje.
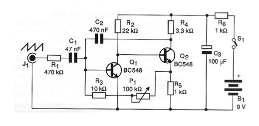
La frecuencia de las señales generadas depende del capacitor C2 y se ajusta en una amplia gama de valores por P1. Para los valores de estos componentes indicados en el diagrama, la frecuencia se puede ajustar entre algunas decenas de hertz hasta aproximadamente 10 kHz.
Los cambios del capacitor C2 pueden cambiar este rango de operación.
Características:
• Tensión de alimentación: 9 VCC
• Corriente drenada típica: 5 mA
• Forma de onda de la señal generada: diente de sierra
• Rango de frecuencias: 10 Hz a 100 kHz
COMO FUNCIONA
Los dos transistores se conectan para formar un paso amplificador de alta ganancia con acoplamiento directo. La realimentación de la señal sacada del colector de Q2, vía C2 se realiza para la base de Q1, manteniendo así las oscilaciones. Estas oscilaciones tienen sus frecuencias ajustadas por P1.
Se obtiene entonces la base de Q1 señales cuya forma de onda es del tipo diente de sierra, y al mismo tiempo, en el colector de Q2, señales rectangulares, debido a la conmutación rápida de este segundo transistor. La señal puede ser retirada del circuito vía C1 y R1 que tiene por finalidad no cargar el circuito, lo que dificultaría las oscilaciones.
MONTAJE
La figura 1 muestra el diagrama completo del oscilador.

Los pocos componentes se pueden fijar en una placa de circuito impreso con la disposición mostrada en la figura 2.

En realidad, para Q1 y Q2 se pueden utilizar transistores de uso general NPN de cualquier tipo. Los resistores s ニ o de 1 / 8W o mayores y los capacitores C1 y C2 tanto pueden ser de poliéster. El capacitor C3 · del tipo electrolítico con una tensión de trabajo de 12V o más. La alimentación puede ser hecha por una pequeña fuente o aún batería, ya que el consumo no es elevado.
Para la salida de señal, si el aparato se utiliza como generador de banco para pruebas en general, se puede utilizar un jack de tipo P2 o RCA. Otra posibilidad consiste en usar dos hilos con garras jacaré
USO
La verificación de la forma de onda producida debe ser hecha con un osciloscopio, pero para saber simplemente si el circuito está oscilando basta conectar su salida en la entrada de cualquier amplificador de audio o incluso en un transductor piezoeléctrico común o auricular de alta impedancia.
Una vez comprobado el funcionamiento es sólo usar el aparato.
LISTA DE MATERIAL
Semiconductores:
Q1, Q2 - BC548 o equivalentes - transistores de uso general
Resistores: (1/8 W, 5%)
R1 - 470 k ohms - amarillo, violeta, amarillo
R2 - 22 k ohms - rojo, rojo, naranja
R3 - 10 k ohms - marrón, negro, naranja
R4 - 3,3 k ohms - naranja, naranja, rojo
R5, R6 - 1 k ohms - marrón, negro, rojo
P1 - 100 k ohms - potenciómetro (o trim-pot)
Capacitores:
C1 - 47 nF (473 o 0,047) - cerámico o poliéster
C2 - 470 nF (474 o 0,47) - cerámico o poliéster
C3 - 100 uF / 12V - electrolítico
Varios:
J1 - jack RCA
S1 - Interruptor simple
B1 - 9V - batería o fuente
Placa de circuito impreso, caja para montaje, conector de batería, botón para el potenciómetro, hilos, soldadura, etc.



