¿Alguien en su casa está en un régimen riguroso y no resiste la tentación de asaltar la nevera durante la noche? Si ese es su caso, que tal colocar dentro de la nevera una alarma que emite un fuerte sonido cuando la luz interna se enciende, indicando que alguien abrió la puerta! Es justamente ese circuito que describimos en este artículo y que también sirve para otras aplicaciones que el lector imaginario puede encontrar.
La idea básica de este proyecto es aprovechar la luz interna de la heladera para disparar una alarma cuando la puerta está abierta. El circuito es alimentado por pilas y cuando no está activado (tocando) su consumo es extremadamente bajo. Así que basta con dejarlo conectado dentro de la nevera y esperar ... Si alguien intenta un asalto durante la noche, el ruido va a alertar a los demás de la casa. Simple de montar, el circuito se basa en el conocido CI 4093 que hemos explorado en muchos de nuestros proyectos por su versatilidad, bajo costo y facilidad de obtención.
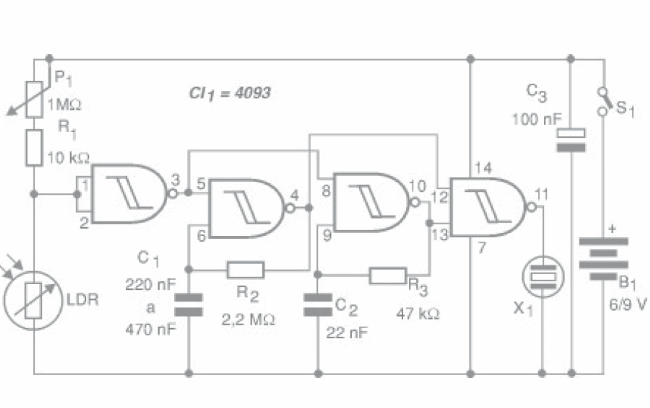
Como funciona
El circuito integrado 4093 consta de 4 puertas NAND disparadores que se pueden utilizar de forma independiente. En nuestro proyecto, se utilizarán en tres funciones diferentes que pasamos a analizar a continuación. La primera puerta se utiliza como sensor de luz, teniendo en su entrada conectado un LDR (foto-resistor) y un trimpot de ajuste de sensibilidad. Cuando entra en luz en el LDR, la entrada de esa puerta va al nivel bajo y con ello su salida al nivel alto, habilitando dos osciladores formados por otras dos puertas del mismo CI.
Estos osciladores tienen diferentes frecuencias. El primero es un oscilador lento que tiene su frecuencia determinada por R2 y C1 mientras que el otro es un oscilador de audio que produce un tono determinado por R3 y C2. Las señales de estos dos osciladores se combinan en la cuarta puerta del 4093 que funciona como un amplificador digital. El resultado es un tono intermitente de audio reproducido en el transductor conectado en su salida. Los valores de los componentes de los osciladores se pueden modificar para obtener el sonido deseado.
Montaje
En la figura 1 tenemos el diagrama completo de la alarma.
Su montaje se puede hacer en una placa de circuito impreso con la disposición de componentes mostrada en la figura 2.

El LDR es redondo común y el transductor es del tipo piezoeléctrico, como los usados en auriculares telefónicos y otras aplicaciones. No sirven transductores de baja impedancia. La alimentación se puede realizar por una batería de 9 V como 4 pilas pequeñas.
La segunda alternativa es la más indicada por ser más barata y presentar mayor durabilidad. El interruptor general es opcional, ya que la unidad se puede apagar simplemente desconectando la batería o retirando las pilas del soporte. El conjunto cabe fácilmente en una caja de plástico, y el LDR debe montarse para recibir la luz externa. La caja debe contener agujeros para la salida del sonido del transductor.
Ajuste y uso
Para probar el aparato, ilumine el LDR y ajuste P1 hasta que haya emisión de sonido. Cambie R2 o R3 si desea modificar los sonidos producidos. Para usar, basta con abrir la nevera y ajustar P1 para que el circuito sea accionado con la iluminación externa. Asegúrese de que, al cerrar la nevera, el circuito deje de emitir sonido. Si esto ocurre, realice un nuevo ajuste de P1. Para usar es sólo colocar el aparato en cualquier lugar del interior de la nevera y esperar.
Lista de material
CI-1 - 4093 - Circuito Integrado CMOS
LDR - Foto-resistor común LDR
X1 - Transductor piezoeléctrico
S1 - Interruptor simple
B1 - 6 o 9 V - 4 pilas o batería
R1 - 10 k ohms x 1/8 W - resistor - marrón, negro, naranja
R2 - 2,2 M ohms x 1/8 W - resistor - rojo, rojo, verde
R3 - 47 k ohms x 1/8 W - resistor - amarillo, violeta, naranja
P1 - 1 M ohms - trimpot
C1 - 220 nF a 470 nF - capacitor de cerámica o de poliéster
C2 - 22 nF - capacitor de cerámica o de poliéster
C3 - 100 uF x 12 V - capacitor electrolítico
Varios:
Placa de circuito impreso, caja para montaje, soporte de pilas, hilos, soldadura, etc.




